大学物理简明教程(上册)习题选解大学物理简明教程(上册)习题选解习题选解1大学物理简明教程(上册)习题选解第1章质点运动学1-1一质点...
1(01)质点运动学1.若一质点的运动方程为则其速度大小为:),(yxrr22)()()(,)(,)(,)(dtdydtdxDdtrdCdtrdBdtdrAjdtdyidtdxdtrdv...
可编程序控制器天津大学李刚1作业—思考题1.PLC由哪几部分组成,各有何作用?答案见P3~P5CPU:存储器:I/O接口:电源:编程器:2.PLC有哪几...
此资料由网络收集而来,如有侵权请告知上传者立即删除。资料共分享,我们负责传递知识。当一名党员的好处解答没有党,就没有新中国;没有党...
2012学年第一学期高等代数Ⅰ(A卷)一、选择题(本大题共5小题,每小题3分,共15分)1、设A,B为n阶方阵,下列运算正确的是(D)(A)AB12...
第五章聚类分析5.1判别分析和聚类分析有何区别?答:即根据一定的判别准则,判定一个样本归属于哪一类。具体而言,设有n个样本,对每个样本...
湖北中职技能高考数学模拟试题及解答(三)一、选择题(本大题共6小题,每小题5分,共30分)在每小题给出的四个备选项中,只有一项是符合题...
应用化学综合实验习题及解答要点护发素的配制1.护发素中加入阳离子表面活性剂的作用?答:起到吸附于毛发表面,形成薄膜,从而使头发柔软,...
测试2解答(第三、四章)1.设{为一时间序列,且,则?。解:根据k步差分和p阶差分与延迟算子之间的关系,得。2.已知AR(1)模型为:。求:...
经典难题(一)1、已知:如图,O是半圆的圆心,C、E是圆上的两点,CD⊥AB,EF⊥AB,EG⊥CO.求证:CD=GF.(初二)2、已知:如图,P是正方...
四年级上册数学应用题解答问题训练经典题目(附答案)100一、四年级数学上册应用题解答题1.一间房子长18米,宽15米,用边长是3分米的方砖铺...
上海市四年级上册数学应用题解答问题专题练习(附答案)(1)一、四年级数学上册应用题解答题1.爸爸带小亮去爬山。从山脚到山顶的路程有2500米...
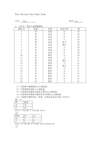
DataMiningTakeHomeExam学号:xxxx姓名:xxx1.(20分)考虑下表的数据集。顾客ID性别车型衬衣尺码类1234567891011121314151617181920男男男男...
传感器原理及其应用习题第1章传感器的一般特性一、选择、填空题1、衡量传感器静态特性的重要指标是_灵敏度______、__线性度_____、____迟滞...
1.存储管理的功能是什么?【解答】存储管理的主要功能是:(1)内存分配。(2)地址转换映射。(3)内存保护。(4)内存扩充。第4章课后习...
第二章课后习题解答第2章进程管理11.操作系统为什么要引入进程的概念?【解答】程序在并发执行方式下,运行时具有异步性的特征。这样,就...
退出下一页上一页章目录总目录制作群主页解:P273页10-8图示电路,已知两个线圈的参数为:正弦电源的电压。⑴试求两个线圈端电压,并作出电...
第四篇规划与控制第九章全面预算一、判断题1.弹性预算从理论上讲,主要适用于全面预算中与业务量有关的各种预算,但从实用角度看,主要用...
西南交通大学2006-2007学年第(一)学期考试试卷课程代码课程名称随机过程B考试时间2007.1.24题号一二三四五六七总成绩得分一、(14分)设二...
1、HACCP系统的内容:①进行危害分析;②确定关键控制点;③确定关键限值;④建立对每个关键控制点的控制情况进行监控的系统;⑤建立当监控...

