类别名称新标准号旧标准号 十字槽盘头螺钉 GB/T 818-2000 GB 818-85 十字槽半沉头螺钉 GB/T 820-2000 GB 820-85 十字槽沉头螺钉...
常用标准件代号及其在图样上的标注 常用标准件代号及其在图样上的标注 序号 标 准 件 号 及 名 称 材料牌号或 机械性能级别 图...
常用标准件代号及其在图样上的标注 常用标准件代号及其在图样上的标注 序号 标 准 件 号 及 名 称 材料牌号或 机械性能级别 图...
第 1 页 共 9 常用五金标准件名称-国家标准号对应表 新物料编码 原物料编码 名称 全名 规格型号 标记 4105.00018 23.5080025...
英国华沃国际软件英国有限公司 1 V VI IS SI I P Pr ro og gr re es ss 模 模座 座组 组装 装指 指南 版本 12.1...
Sw 的标准件和孔方案 Sw 以其人性化的操作方式,良好的交互界面,强大的性能获得了无数的青睐,还有其相对公道的价格使得众多的公司采用...
第13 章 标准件库 1 第13 章 标准件库 13.1 概述 Solid Edge 提供一整套功能强大的标准件管理系统,如图13-1 所示,是设计者进...
国标代号名称GB 100-86开槽沉头木螺钉GB 101开槽半沉头木螺钉GB 102-86六角头木螺钉GB 1096-79普通平键GB 1099-79半圆键GB 117-2000...
国标代号名称GB 100-86开槽沉头木螺钉GB 101开槽半沉头木螺钉GB 102-86六角头木螺钉GB 1096-79普通平键GB 1099-79半圆键GB 117-2000...
PEM标准件SO
液压系统标准件规范 目 次 五.液压系统(系统编号:Y) 1.油缸: 柱型油缸 (JUFAN 品牌)… … … … … … … … … …...
东莞市凯仕特五金制品有限公司 · GB/T 1095-2003 平键 键槽的剖面尺寸 · GB/T 1096-2003 普通型 平键 · GB/T 1097-2003 ...
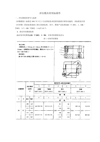
冲压模具常用标准件 一、冲压模架的型号与选择 《冲模模架》标准是1991 年5 月1 日由国家技术监督局批准并颁布实施的。该标准是在原《...
02中国石化加油站标准件工艺标准手册
1 第十三章 标准件 在各种机器、仪表和电器设备中,经常有一些标准件。标准件是结构形状、尺寸和技术要求都标准化了的零件和部件,如螺...
MS代号MS StandardJIS代号JIS Standard名称English Designation材料MaterialGB代号GB Standard等级Grade名称Chinese Designation备注1...
中德标准件对照表序号名称德国标准国际标准德国材料中国标准中国材料备注1圆锥销DIN1StGB 117-8635A型(Ra0.8) B型(Ra3.2)长度2002平...
五金模具标准件目录 ……………………………………………………………………21、内导柱、导套………………………………………………………...
第 10 章 标准件和常用件 教学目标: (1)掌握螺纹的规定画法和标注方法。 (2)掌握常用螺纹紧固件的画法及装配画法。 (3)掌握...
信阳航天标准件厂住宅楼施工组织设计编制单位: 编制日期:二○○七年五月十三日目 录第一卷 编制依据...................................

