电脑桌面
添加小米粒文库到电脑桌面
安装后可以在桌面快捷访问

冲压模具常用标准件VIP免费

冲压模具常用标准件_第1页
1/36
冲压模具常用标准件_第2页
2/36
冲压模具常用标准件_第3页
3/36
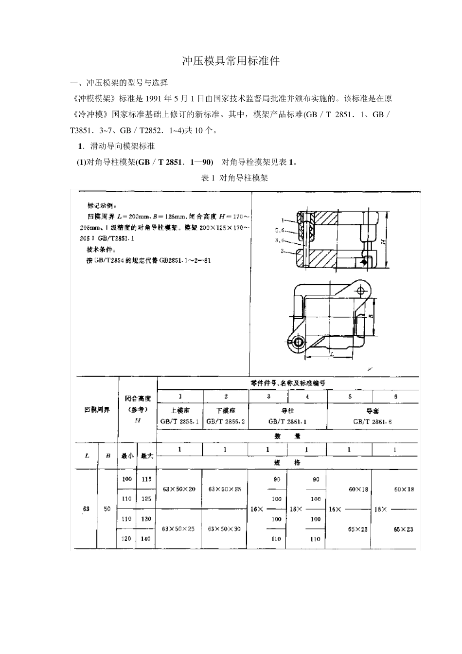
冲压模具常用标准件 一、冲压模架的型号与选择 《冲模模架》标准是1991 年5 月1 日由国家技术监督局批准并颁布实施的。该标准是在原《冷冲模》国家标准基础上修订的新标准。其中,模架产品标难(GB/T 2851.1、GB/T3851.3~7、GB/T2852.1~4)共10 个。 1.滑动导向模架标准 (1)对角导柱模架(GB/T 2851.1—90) 对角导栓摸架见表 1。 表 1 对角导柱模架 (续) (续) (续) (续) 后侧导柱模架(GB/T2851.3——90) (续) (续) (续) 后侧导柱窄形模架 (m m ) 中间导柱模架 (m m ) (续) (续) (续) (续) 中间导柱圆形模架 (m m ) (续) (续) 四导柱模架(GB/T 2851.7—90) (m m ) (续) 二、导柱导套 (续) (续)

1、当您付费下载文档后,您只拥有了使用权限,并不意味着购买了版权,文档只能用于自身使用,不得用于其他商业用途(如 [转卖]进行直接盈利或[编辑后售卖]进行间接盈利)。
2、本站所有内容均由合作方或网友上传,本站不对文档的完整性、权威性及其观点立场正确性做任何保证或承诺!文档内容仅供研究参考,付费前请自行鉴别。
3、如文档内容存在违规,或者侵犯商业秘密、侵犯著作权等,请点击“违规举报”。

碎片内容

冲压模具常用标准件

确认删除?
VIP
微信客服
  • 扫码咨询
会员Q群
  • 会员专属群点击这里加入QQ群
客服邮箱
回到顶部