电脑桌面
添加小米粒文库到电脑桌面
安装后可以在桌面快捷访问

五金模具标准件VIP免费

五金模具标准件_第1页
1/24
五金模具标准件_第2页
2/24
五金模具标准件_第3页
3/24
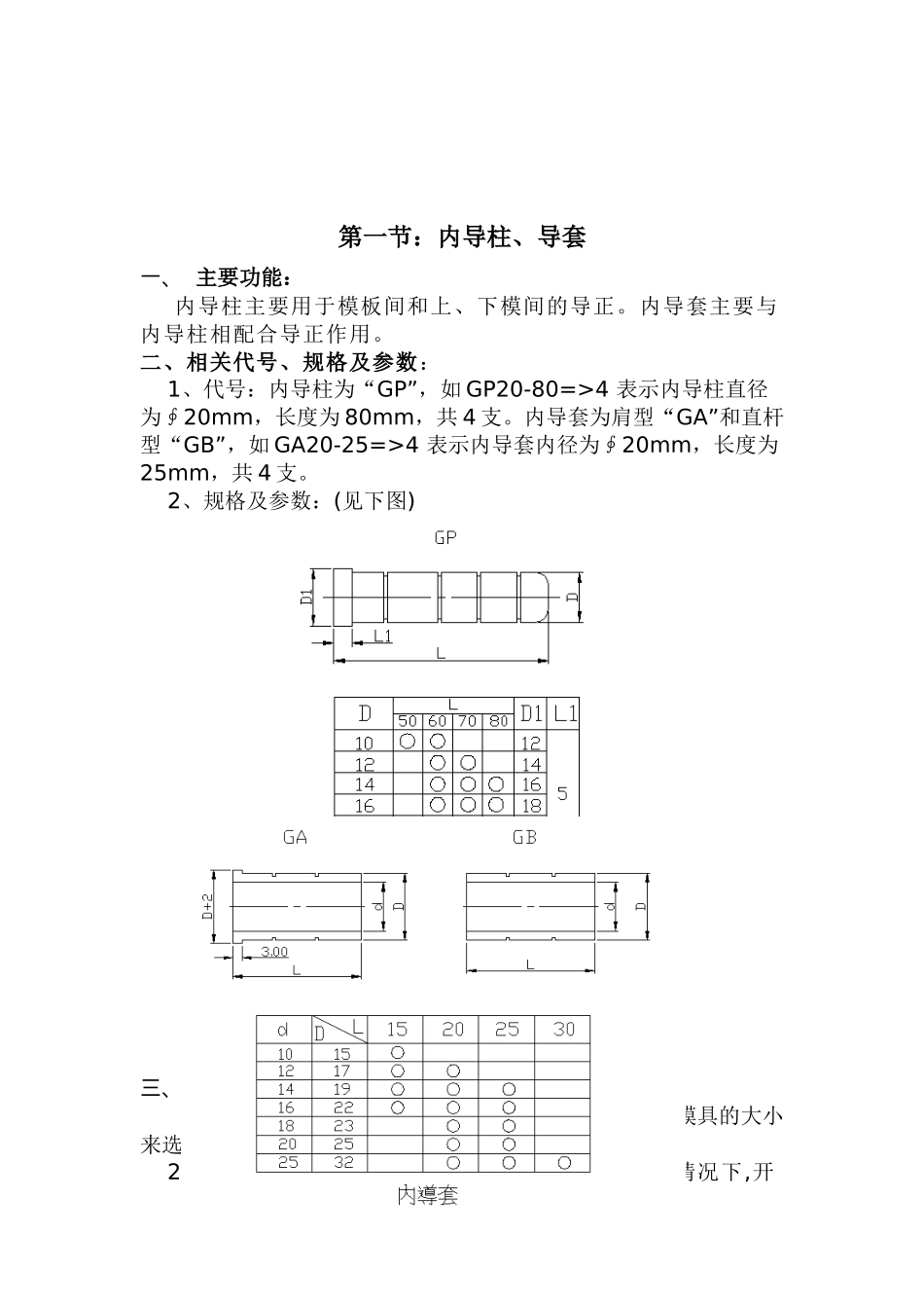
五金模具标准件目录 ……………………………………………………………………21、内导柱、导套………………………………………………………32、外导柱、导套………………………………………………………43、内六角螺丝…………………………………………………………84、固定销………………………………………………………………105、弹簧…………………………………………………………………116、等高套筒……………………………………………………………147、顶料销………………………………………………………………158、止符螺丝……………………………………………………………189、两用销………………………………………………………………1910、导正销 ……………………………………………………………2111、圆冲子 ……………………………………………………………2312、优力胶 ……………………………………………………………2513、检测销 ……………………………………………………………25第一节:内导柱、导套一、 主要功能: 内导柱主要用于模板间和上、下模间的导正。内导套主要与内导柱相配合导正作用。二、相关代号、规格及参数: 1、代号:内导柱为“GP”,如 GP20-80=>4 表示内导柱直径为∮20mm,长度为 80mm,共 4 支。内导套为肩型“GA”和直杆型“GB”,如 GA20-25=>4 表示内导套内径为∮20mm,长度为25mm,共 4 支。 2、规格及参数:(见下图)三、 选用原则:1、通常以直径较大的来优先设计,最主要还是根据模具的大小来选择直径的大小。 2、冲孔(或连续)模上模内导柱长度选取原则:一般情况下,开模时内导柱伸出打板面 15~20MM,例图(a);当下模定位块(或导料块)等伸出模板面很高时,导柱伸出打板面的长度 L=定位块(或导料块)伸出模板面的长度 H+(5-7)MM(保证模具闭模过程中,内导柱先导正,定位块后进入打板)例图(b) (图 a) (图 b)四、排配原则: 1、导柱一般排在模板的四个角落上,其孔边距板边最小处不低于 12mm。 2、如果选用两柱,可排在斜对角,也可根据实际情况排。 3、在排配过程中要注意防呆,其防呆一般采用以左下角一孔向料带的平行方向偏移 10MM 以上来防呆。 4、内导套一般适用于精密模具上,产品形状或位置要求准确的情况下使用。第二节:外导柱、导套一、 主要功能:外导柱的功能主要是用于上、下模的导正,保证上、下模的相对位置。外导套主要与外导柱相配合导正作用。二、相关...

1、当您付费下载文档后,您只拥有了使用权限,并不意味着购买了版权,文档只能用于自身使用,不得用于其他商业用途(如 [转卖]进行直接盈利或[编辑后售卖]进行间接盈利)。
2、本站所有内容均由合作方或网友上传,本站不对文档的完整性、权威性及其观点立场正确性做任何保证或承诺!文档内容仅供研究参考,付费前请自行鉴别。
3、如文档内容存在违规,或者侵犯商业秘密、侵犯著作权等,请点击“违规举报”。

碎片内容

五金模具标准件

确认删除?
VIP
微信客服
  • 扫码咨询
会员Q群
  • 会员专属群点击这里加入QQ群
客服邮箱
回到顶部