4. 石油化工企业配管工程常用缩写词 目 次 1、 管子及管件 2、 法兰 3、 垫片 4、 坚固件 5、 阀门 6、 管道上用的设备 7...
石油化工企业设计防火规范检查表 序号 检查内容 检查依据 检查结果 符合性 评价 1 在进行区域规划时,应根据石油化工企业及其相邻...
石 油 化 工 企 业 设 计 防 火 规 范 条 文 说 明 第 一 章 总 则 1. 1. 1 本 规 范 主 要 是 针 对 ...
1 石油化工企业设计防火规范 GB50160-2008 2 关于发布国家标准《石油化工企业设计防火规范》的公告 现 批 准 《 石 油 化 工 ...
石油化工企业 设 计 防 火 规 范GB50160 石油化工企业设计防火规范GB50160-1992(1999 年版) 工程建设标准局部修订公告 第21 ...
石油化工企业设计防火规范 GB50160-2008 关于发布国家标准《石油化工企业设计防火规范》的公告 现 批 准 《 石 油 化 工 企 业...
目 次 1 总则… … … … … … … … … … … … … … … … … … … … … … … … … … … … …...
石油化工企业设计防火规范 GB50160-92(1999 年版) 第一章 总 则 第1.0.1 条 为了保障人身和财产的安全,在石油化工企业设计中,贯...
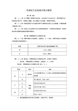
石油化工企业设计防火规范 第一章 总则 第 1.0.1 条 为了保障人身和财产的安全,在石油化工企业设计中,贯彻"预防为主,防消结合"...
1 石油化工企业设计防火规范 GB50160-2008 关于发布国家标准《石油化工企业设计防火规范》的公告 现 批 准 《 石 油 化 工 企...
石油化工企业设计防火规范(七) 第七章 消防 第一节 一般规定 第7.1.1 条 石油化工企业应设置与生产、储存、运输的物料相适应的消...
1 石油化工企业设计防火标准 GB50160-2008 (2018 年版) 目 录 第 1 章 总 则.................................................
.. Word 资料. 石 油 化 工 企 业 设 计 防 火 标 准 GB50160-2008 ( 2018 年 版 ) 目 录 第 1 章 总 则 .....
. ;. 石油化工企业设计防火标准 GB50160-2008 (2018 年版) 目 录 第 1 章 总 则.............................................
石油化工企业设计防火规范(GB501602008)
石油化工企业清洁生产标准(正式发布稿)
1 第 1 章 总则 1.0.1 为了防止和减少石油化工企业火灾危害,保护人身和财产的安全,制定本规范。 1.0.2 本规范适用于石油化工企业...
石油化工企业职业安全卫生设计规范SH3047-93 1 总则 一、 1.0.1 为了在设计中贯彻“安全第一,预防为主”的方针,保障石油化工企业...
石油化工企业职业安全卫生设计规范SH3047-93 总则 1 .0 .1 为了在设计中贯彻“安全第一,预防为主”的方针,保障石油化工企业劳动者...
— 3 —附件: 石油化工企业环境应急预案编制指南 环境保护部 二○一○年一月 — 4 — 目 录 1.适用范围……………………………...

