下载后可任意编辑摩托车零部件及配件项目可行性讨论报告下载后可任意编辑目录概论.........................................................
下载后可任意编辑工农业塑料制品:塑料零部件项目深度讨论分析报告下载后可任意编辑目录序言...............................................
下载后可任意编辑零部件购销合同范本甲方: 乙方: 签订地点: 签订时间: 合同编号: 下载后可任意编辑零部件购销合同范本 合同编号...
下载后可任意编辑零部件生产岗位职责零部件生产职责任职要求 零部件生产岗位职责 生产经理/主管(汽车零部件) 1、27-36 岁,全日制大专以...
下载后可任意编辑蓄电池产品及零部件检验合同合同背景甲方为一蓄电池生产企业,拟在市场销售蓄电池产品及零部件。为了确保产品的质量和稳定...
零部件质量认可管理流程图1 适用范围集团公司自主开发新产品项目,包括轿车、中重卡车、轻型车、微型车、客车系列,包括整车和动力总成的...
汽车零部件检测测试标准汽车发动机1压燃式发动机排气污染物・ESC 稳态循环试验•ELR 负荷烟度试验•ETC 瞬态循环试验$•OBD•耐久性0324...
全球汽车零部件 100 名企业德国1RobertBoschGmbH 罗伯特•博世汽油系统、柴油系统、制动和底盘系统;电子驱动、起动机和发电机车载多媒...
本文件所有复制、打印版本均为无效版本,最新有效版本见公司网主页“质量管理体系文件”编号:PD-ZD-2011-C-0001零部件采购管理流程版本号...
零部件加工项目安全现状评价报告零部件加工项目安全现状评价报告零部件加工项目安全现状评价报告目录前言 .................................
WORD 格式整理专业知识分享汽车零部件外观品质检验规范1 适用范围此规范适用于我厂汽车零部件的外观品质检验。2 引用标准GB/T 2828.1-2...
零部件外协加工合同合同编号:签订日期:年月日完成日期:年月日甲方乙方联 系 人联 系 人电话电话传真传真公司地址公司地址开户银行开...
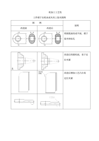
机加工工艺性工件便于在机床或夹具上装夹图例图例说明改进前改进后将圆弧面改成平面,便于装夹和钻孔2.改进后的圆柱面,易于定位夹紧改进...
宝岛优品——为你打造精品文档宝岛优品——为你打造精品文档1 宝岛优品——为你打造精品文档宝岛优品——为你打造精品文档2 零部件加工合...
下载后可任意编辑汽车零部件运输合同汽车零部件运输合同 经由_________(以下简称甲方)委托由_________(以下简称乙方)从_________配套...
机械零部件(减速器)测绘指导书一、部件测绘的目的和任务1、目的:生产实际中,维修机器或技术技术改造在没有现成技术资料的情况下,常需...
零部件的检验方法一、经历法经历法是通过观察、敲击和感觉来检验和判断零件技术状况的方法。这种方法虽然简单易行,但它要求技术人员有对各...
-1零部件管理制度、零部件组织结构二、零部件工作岗位职责三、安全管理制度四、仓库安全管理要求五、日常管理要求六、卫生管理制度七、培训...
序号中文名称英文名称备注1C形卡C clip2C型挡圈Circle3F水管F-pipe4O型密封圈O type sealed loop5U形护罩U-shield6Z 形板z-plate7安全...
1 .1 0 减速离合器的结构原理及常见问题检修 在波轮全自动洗衣机中,减速离合器是关键的部件,洗衣机的正反向洗涤运转和脱水运转,主要...

