基建工程施工现场安全检查表项目部安全管理检查表检查部位:施工项目部检查项目检查内容检查结果上 级 安 全 管理 要 求 的 贯彻落...
表 4—2 培训准备事项检查表(二)编号检查事项数量负责人完成日检查结果训练执行(IMPLEMENTATION) 需预先准备事项1邀请开训主管,主...
国庆节前安全检查表检查组组长: 成员: 检查日期:______年____月____日序号检查项目检查标准检查方法检查结果是否符合存在问题整改要求...
JXMB4-1变电站工程施工强制性条文执行检查表编号:JL-D01-001工程名称浠水城南 110kV 输变电工程单位(子单位)工程名称主变压器系统设备...
禹城益佳机械隐患排查治理体系安全检查纪录二零一八年度综合安全检查表检查时间: 年 月 日 受检查部门(车间): 检查人签名:序号检...
医 院 重 点 部 门院 感 检 查 表层流手术室医院感染管理工作检查用表检 检查时间: 年 月 日项目与要求满分扣分1001、科室医...
上海市医疗器械生产企业现场检查表企业名称: 企业类别:Ⅱ□ Ⅲ□ 资料号: 检查地址法定代表人电话邮编企业负责人姓名:学历或职称技...
化工生产企业安全管理检查表1、安全生产责任制序号检查项目、容检查方法或依据1.1根据有关规定与时修订各级安全生产责任制。查有关文件、通...
PSSR Checklist Example A-1PSSR 清单示例 A-1Description of System/Area Under Review所审查系统/区域的描述Date日期Time时间Li...
.安全检查表编写人:审核人:批准人: 目 录日常安全检查表............................................................................
化工企业标准化所需安全检查表----------------------- -----------------------日期:省滕州瑞达化工安全检查表编号:RDHG/AQ-026编写:...
目 录1、公司级安全检查表2、车间级安全检查表3、工段(班组)级安全检查表4、岗位工人日常安全检查表5、管理人员巡回安全检查表6、电气设...
表格编号: PK-001 版次: 03 ***公司危害和风险管理体系审审核检查表1 高层承诺审核项目审核容符合不符合观察说明*高层管理承诺和持...
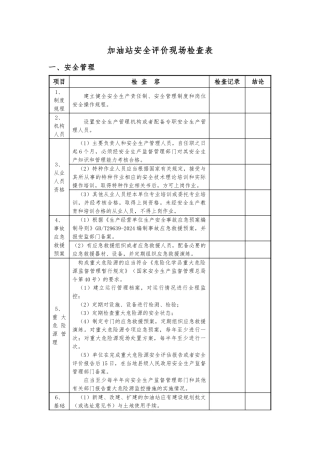
加油站安全评价现场检查表一、安全管理项目检 查 容检查记录结论1、制度规程建立健全安全生产责任制、安全管理制度和岗位安全操作规程。2...
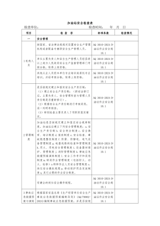
加油站安全检查表检查单位: 检查时间: 年 月 日项目检 查 容标准条款检查情况一安全管理1 机构人员按国家、省法律法规规定设置安...
加油站安全检查表《GB50156-2024》第九十六条 生产经营单位有下列行为之一的,责令限期改正,可以处五万元以下的罚款;逾期未改正的,处五...
加油站安全检查表汇编 审批: 日期:XXX 加油站发布各类安全检查表通知为规加油站的安全管理和文件管理,加油站各类安全检查统一使用制...
加油站安全检查表汇编 xxxxxxxxx 加油站 日期: 2024.1.1 xxxxxxxxx 加油站 为规各加油站基础软件管理,使各项资料更加规、统一,现...
栖燕加油站安全检查表汇编 审批: 日期:XXX 加油站发布各类安全检查表通知为规加油站的安全管理和文件管理,加油站各类安全检查统一使...
加油、加气站安全检查表序号项目检查容方法检查依据1从业资格企业资质取得省级安全生产监督管理部门颁发的《危险化学品经营许可证》。查证...

