砖砌体工程质量问题及防治措施林松江(福州金南台建筑工程有限公司)摘要:砌砖工程质量问题将严重影响砌体结构强度、整体稳定性和美观等功...
砖砌体分项工程检验批质量验收记录 工程名称XX 项目检验批部位XX 层墙体砖的种类加气块砖施工单位项目经理施工执行标准名称及编号砌体工...
紫阳县高桥镇双龙村桂花树安置小区四期砌体施工方 案 编制人: 批准人:一、工程概况本工程位于安康市紫阳县高桥镇,为紫阳县高桥镇双龙...
全球家具建材 CBD 一期 4 栋E、F 区工程砖砌体专项施工方案编制日期: 年 月 日全球家具建材 CBD 一期 4 栋 E、F 单元砌体工...
砖砌体安全技术交底施工单位名称四川永志建设有限责任公司单位工程名称四川大学多学科交叉讨论创新大楼施工部位主体,地下室施工内容填充墙...
砌体工程安全技术交底一.施工准备措施1。主要机具砂浆搅拌机、翻斗车、手推车、磅秤、砖笼、胶皮管、灰桶、托线板、线坠、水平尺、小白线...
砖砌体及抹灰施工方案一、编制依据1.1 别样幸福城 4#地块相关图纸1.2 设计交底、变更、图纸会审答疑及工程联系单 1。3 土建工程施工...
砖砌体单元工程质量评定表 编号:单位工程名称单元工程量分部工程名称施工单位浙江省水电建筑安装有限公司单元工程名称、部位评定日期年 ...
XXXXX 工程砖砌体施工专项施工方案编制: 审核: 批准: 一、工程概述:总建筑面积 143427㎡,其中地上建筑面积 105966㎡,地下建筑面...
砖砌体围墙施工技术要求一、砌体工程施工:1、砖的品种、强度等级必须符合设计要求,并应规格一致有出 厂合格证明及试验单。2、水泥:品种...
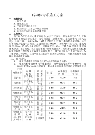
砖砌体专项施工方案一、编制依据1、施工合同2、设计施工图3、工程施工组织总设计4、相关的技术工艺法律规范和标准5、相关的工程质量验收法...
唐山市古冶区兰庭华府住宅小区1 号、3 号、4 号、7 号、10 号住宅楼施工组织设计方案编 制 人: 审 核 人: 审 批 人: 编制单...
砖砌体施工专项方案一、编制依据1.庆阳市国营正宁林业总场西坡米家川森林资源管护站建设项目施工图纸2. 多孔砖砌体结构技术法律规范 JG...
砖砌体施工专项方案一、编制依据1.大孟镇镇区社区安置区一期二标段项目施工图纸2.砌体工程施工质量验收法律规范 GB50203—2024。3.大孟...
庄园、香槟国际大酒店及庄园、国际邻海怡园(度假村) A 标段工程砖墙砌筑工程施工协议书 合同编号:甲方: 长春建工集团有限公司厦门湖...
砖墙砌体工程施工工艺 1、 本施工工艺适用于工业与民用建筑的各种砖墙砌体工程施工. 2、 材料性能要求 (1)砖、蒸压灰砂砖、蒸压粉煤...
厂区围墙管垛工程施工组织设计施工单位:编制时间:2024 年 3 月 21 日一、工程概况1、砖围墙:240 厚灰砂空心砖砌体,M10 混合砂浆.2...
砌体结构的安全防护及环保措施一、 砌筑安全检查的形式为全过程跟踪检查。 砌筑安全检查的主要内 容是查思想、查管理、查现场、查制度、...
施工组织设计说明书某招待所施工组织设计 一、工程概况 本工程某接待室工程,砌体结构,地上四层。采纳标准图,面积531.24m2。 基础为条...
砌体质量要求及法律规范1。施工前应先看懂图纸,确定砌筑位置,轴线,标高门窗洞口的高度尺寸等.2。砖砌体在砌筑前应交水润湿(最好提前 1...

