竞聘演讲与答辩评分表竞聘者打分内 容竞聘岗位1.1 综合能力30 分1.2 专业技术能力40 分1.3 资质10 分1.4 工作经验和业绩20 分累计...
下载后可任意编辑安全档案资料评分表 表 6下载后可任意编辑检查人: 年 月 日安全档案资料检查说明 工程名称施工单位部位进度施工性质...
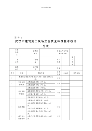
下载后可任意编辑附 件 2武 汉 市 建 筑 施 工 现 场 安 全 质 量 标 准 化 考 核 评分 表总承包单位资质证编号安全...
下载后可任意编辑安全管理检查评分表项目名称: 编号:2-1序号检查项目扣分标准应得分数扣减分数实得分数1安全生产责任制未建立各级安全生...
下载后可任意编辑安全管理检查评分表表 3.0.2序号检查项目扣分标准应得分数扣减分数实得分数1保证项目安全生产责任制1、企业和项目部未建...
下载后可任意编辑西安曲江大明宫遗址区建筑施工场地安全管理检查评分表 表 2-1验收项目: 检查时间: 检查人:序号检查项目扣 分 标 ...
下载后可任意编辑粹篱叔莫睹撤凶厨艰杨准垃前芝莹猿欠摊冤镁玄汛殆拓怖絮桩岔缓断瓮辅迈芍银倍谎褒鲁稗聊检查项目检 查 内 容下载后可任...
下载后可任意编辑安 全 生 产 责 任 制 考 核 表部门: 工程管理组 月份: 月 中 建 海 峡 建 设 发 展 有 限 公 ...
表 A 建筑施工安全检查评分汇总表企业名称: 资质等级: 年 月 日单位工程(施工现场)名 称建筑面积(m2)结构类型总计得分(满分...
下载后可任意编辑安 全 管 理 检 查 评 分 表5 . 1序号检 查 项 目检查内容与评分标准标准分数扣减分数实得分数1资质与资格 ...
下载后可任意编辑建筑施工安全检查评分汇总表 表A 建筑施工安全检查评分汇总表企业名称: 资质等级: 单位工程(施工现场)名 称建筑...
下载后可任意编辑附件 1太原市煤矿建设项目“文明施工”考核评级办法(试行)评分方法及标准1、汇总表满分值为100分,各分项检查表在汇总...
附件 22011 年自治区面向社会为中小学公开招聘教师面试评分表( 音、体、美、信息技术学科)报考人员:测试科目:测试时间:年月日试讲项...
学生对教师课堂教学评价表班级时间学科课题上课老师评价内容权重(分值)优9-10良8中6-7差3-5对老师创设的情境,我有兴趣,我喜欢老师的...
聊城滨河实验学校小学部教师说课比赛活动方案一、活动目的 :1. 为了进一步推进课程改革,引导教师深入钻研教材,探讨教学方法,不断提高...
教师绩效工资考评实施细则考评表评价内容评价要素权重评分说明自评基层校评综合评定师德师风①认真贯彻党的路线方针、政策。②遵守《中小学...
实 用 文 档1 二、说课(含教学设计)评分标准序 号教材版本、册、章、节参赛课题组别(文、理)项目内容分值评 分 要 点分值得分...
得胜小学教师公开课评分表姓名:课题:时间:项目要求基本分得分教学目标(10 分)知识、能力、情感目标设计合理,符合学生起点水平,有利...
来源:网络转载临床教学查房评分表科室:教员:查房内容:评审人:序指标评分标准分值得分1 查房准备(10分)病例准备选择典型病例,提前...
范文范例 指导参考word 版 整理市政工程质量保证资料评分表附表七工程名称大麦屿临浦路道路排水工程主要工程量(万元)施工单位浙江萧山...

