首开龙湖翔安 2016XP08 地块主体及室外工程高压注浆防水堵漏施工方案CHANiBGHUNCMBTRUCnUNP-CO..LTD.首开龙湖翔安 2016XP08 地块主体及...
高压喷射注浆法(旋喷桩法)选喷桩法适用于淤泥、淤泥质土、黏性土、粉土、黄土、砂土、人工填土和碎石土等的地基加固。桩径一般 0.5-1.4m...
第 1 章 工程概况1.1 工程地理位置中关铁矿帷幕注浆工程项目地址位于河北省沙河市白塔镇中关村,北距邢台市 30km,南距邯郸市 50km,...
郑州市三环市快速化工程桩基后注浆设计施工与质量检验指导手册郑州市市政工程建设中心郑州大学综合设计研究院2012 年 8 月 23 日目录...
同步注浆及二次注浆技术交底技术交底记录(轨道交通工程)编号:工程名称郑州市轨道交通 5 号线工程土建施工 08 标段分部工程名称盾构...
1 莞惠城际轨道交通项目同步注浆作业指导书编制:复核:审核:监理工程师 :中铁二十局集团有限公司莞惠城际GZH-6标项目经理部盾构一队二...
双液注浆的目的双液注浆法是以改良土壤为目的,一方面增加土质的强度,另一方面又可以达到止水堵漏的效果。经过近三十年的发展, 此工法已...
文档来源为 :从网络收集整理.word 版本可编辑 .欢迎下载支持 . 南京香格里拉大酒店项目桩基、基坑支护和土石方工程双液注浆加固施工方...
北京地铁 16 号线穿越既有桥梁防护工程万泉河立交加固工程万泉河立交主桥 4#轴、5#轴桩周地表深孔注浆加固施工方案编制人:审核人:审批...
邯郸经济技术开发区东填池小区一期、二期项目设计施工总承包( EPC ) ) 1# 、 4 # 楼后注浆 灌注桩工程施工组织设计 中国煤炭...
目 录1.施工概况....................................................................................................................
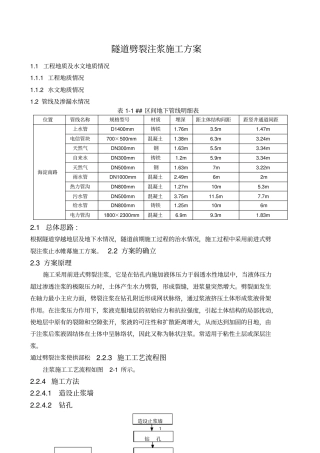
1 隧道劈裂注浆施工方案1.1 工程地质及水文地质情况1.1.1 工程地质情况1.1.2 水文地质情况1.2 管线及渗漏水情况表 1-1 ## 区间地下...
足,后经一桩一孔勘察,发现孔中,孔有溶洞。根据补充地武昌客机折返段机车标准化整备场建设工程生产综合楼地基溶洞处理施工方案编制人:审...
PRESS厂房地坪土体注浆加固编制单位:南京固强建筑技术有限公司编制日期:二o—一年五月二十二日目录第一章工程概况第二章压密注浆施工方案...
注浆加固法地基解决注浆加固法是工程地基加固最惯用的办法之一,该办法运用气压或液压配以填充渗入和挤密等方式,把能凝固的浆液均匀地注入...
一、编制原则和根据⒈编制原则根据六盘山隧道洞内渗漏水现状,参考设计图纸,结合我单位现有的设备条件,在确保施工质量和施工安全的条件下...
水泥注浆地基施工办法水泥注浆地基是浆水泥浆,通过压浆泵、灌浆管均匀地注入土体中,以填充、渗入和挤密等方式,驱走岩石裂隙中或土颗粒间...
冲孔灌注桩桩底后注浆原始统计表工程名称:某大厦综合楼序号:01自编桩号:桩径:Φ800埋管日期:开塞日期:清水开塞开塞时间(h.min)终止...
注浆施工安全技术交底工程名称崤山隧道施工单位中铁十六局集团有限公司交底提纲注浆施工安全技术交底交底日期年月日交底内容:1、对安全员...
井下探放水和注防治水工件•井下注浆防治水工程概述•井下探放水工程实施流程•井下注浆防治水工程实施流程•井下探放水和注浆防治水工程案...

