第一章测试技术的基本知识1.测量的定义:测量是运用专门的工具,根据物理、化学、生物等原理,通过实验和计算找到被测 量的量值。测量的表...
Pag e 1 o f 36 地源热泵空调系统自动控制方案 工 程 名 称 : 施 工 单 位 ( 章 ): 项 目 经 理 : 项 目 ...
毕业设计说明书小型加工中心自动控制换刀机械手的设计1 摘要本论文介绍的是小型加工中心换刀机械手的设计。机械手在当今机械行业的应用的...
1 毕业设计家用豆浆机全自动控制装置2 毕业设计(论文)原创性声明和使用授权说明原创性声明本人郑重承诺:所呈交的毕业设计(论文) ,...
烟台市高级技工学校 课时授课计划 机电、电子专业 自动控制 学科 序号 1 .1 课 题 §1 —1 人工控制与自动控制 班级 周 星...
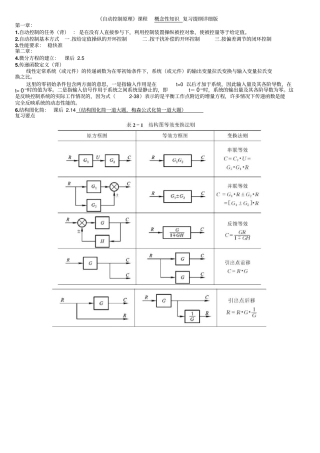
《自动控制理论》课程习题集第 1 页 共 23 页1《自动控制理论》课程习题集一、单选题1. 下列不属于自动控制基本方式的是( B )...
1 自动控制原理 1 一、单项选择题(每小题1 分,共 20 分)1. 系统和输入已知,求输出并对动态特性进行研究,称为(c )A.系统综合...
第五、六章线性系统的频域分析与校正习题与解答5-1试求下图 (a)、(b)网络的频率特性。解 (a)依图:2121111212111111221)1(11)()(RRCRRTC...
1 《自动控制原理与系统》模拟试题一.单项选择题(本大题共10 小题,每小题2 分,共 20 分)1.下列系统中属于开环控制系统的是:【...
1 / 7@~@ 自动控制原理知识点总结第一章1. 什么是自动控制?(填空)自动控制:是指在无人直接参与的情况下,利用控制装置操纵受控对象...
《自动控制原理》课程概念性知识 复习提纲详细版第一章:1.自动控制的任务(背) : 是在没有人直接参与下,利用控制装置操纵被控对象,...
等离子喷涂过程自动控制及PLC编程
考点1 柴油机货轮辅锅炉由于蒸发量小,蒸汽压力低,为简化其控制系统,一般对水位都是进行双位控制,当水位下降到允许的下限水位时,自动...
城市污水厂实习培训教程 137 第五章 城市污水处理厂仪表与自动控制 第一节 污水处理厂常用仪表 一、概述 污水处理工程中必须采用一...
自动控制原理期末考试卷与答案一、填空题(每空 1 分,共 20 分)1、对自动控制系统的基本要求可以概括为三个方面,即:稳定性、快速性...
AUTOMATIC CONTROL THEOREM (1) ⒈ Derive the transfer function and the differential equation of the electric networ...
下载后可任意编辑油库消防安全自动控制报警系统设计方案与油库消防应急预案汇编油库消防安全自动控制报警系统设计方案油库分为原油库和成品...
【教材习题及解答】4-1 【答】所谓根轨迹,是指系统开环传递函数的某一参量从零变化到无穷时,闭环系统特征方程式的根在 s 平面上变化而...
题目 交通信号灯自动控制电路设计班级 08 环境工程( 1 )班 学号 200810220112 姓名 廖 勇 指导 鲁老师 时间_____ 2010 年...
自动控制学习心得 《电力拖动自动控制系统》学习心得 进入到大四我们接触到了一门新的课程叫《电力拖动自动控制系统》,几次课上下来发现...

