第1页共10页编号:时间:2021年x月x日书山有路勤为径,学海无涯苦作舟页码:第1页共10页2水泥土搅拌桩施工工艺2.1适用范围适用于变电站工程...
第1页共5页编号:时间:2021年x月x日书山有路勤为径,学海无涯苦作舟页码:第1页共5页第2页共5页第1页共5页编号:时间:2021年x月x日书山有...
•蚯蚓的基本特征contents•蚯蚓的生活习性•蚯蚓对土壤的贡献目录•蚯蚓在其他文化中的地位和象征意义•如何保护蚯蚓与其生态环境01蚯蚓的...
南通开发区固体废物综合处理工程水泥土施工方案目录1.工程概况...........................................................................
水泥土搅拌桩施工方案与检测方案目录第一章水泥土搅拌桩施工方案0第一节编制依据0第二节工程概况0一、工程概况0二、岩土工程地质分析与评价...
水泥土搅拌桩在地铁软弱路基中的应用摘要:结合工程实例,介绍了水泥土搅拌桩设计的桩位布置、水泥掺入量及其施工工艺,并对试验结果进行了分...
论水泥土搅拌桩复合地基在土木工程的应用【摘要】近些年,随着建筑工程的不断发展,水泥土搅拌桩复合地基技术也得到快速的发展,本文比较浅...
水泥土深层搅拌桩支护设计与施工【摘要】主要论述水泥土深层搅拌桩支护结构设计与施工。【关键词】土压力的计算、水泥土深层搅拌桩、设计、...
水泥土搅拌桩施工工艺的研究王勤振1,沙伟1,,靖洁洁2(1.中交水运规划设计院南京分院,江苏南京210002;江苏馥久建设工程有限公司,江苏...
开封县怡心花苑5#楼复合地基检测方案编写:沈钰审核:周东山批准:张晓蔚单位:河南技源工程检测有限公司电话:0378-3987526日期:二零一零...
水泥土搅拌桩地基检验批质量验收记录(GB50202-2002)表4.11编号:010314□□□工程名称分项工程名称项目经理施工单位验收部位施工执行标准...
文章编号:空2行(单倍行距)页面设置:页边距上:2cm(首页)、2.5cm(奇偶页),下:1.6cm,左:2cm,右:2cm;距边界:页眉:1.5cm,页脚:1.6cm文档网...
水泥土搅拌桩对天津滨海地区软基的加固处理摘要通过对水泥土搅拌桩加固机理阐述,分析水泥土的各种特性及影响其强度增长的因素,结合津滨轻轨...
技术交底记录工程名称新建铁路玉林至铁山港线交底部位地基与基础工程编号日期交底内容:水泥土搅拌桩技术交底一、施工准备1、现场准备:搅...
黄骅港综合港区通用散杂货码头工程和黄骅港综合港区多用途码头工程轨道梁基础及堆场道路施工水泥搅拌桩及水泥稳定碎石基层冬季施工方案二○...
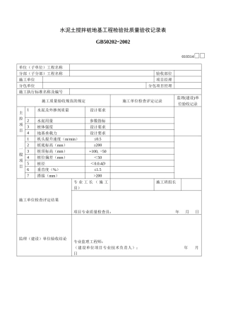
水泥土搅拌桩地基工程检验批质量验收记录表GB50202-2002010314单位(子单位)工程名称分部(子分部)工程名称验收部位施工单位项目经理分包...
第1页共12页编号:时间:2021年x月x日书山有路勤为径,学海无涯苦作舟页码:第1页共12页混凝土质量通病治理总结根据“关于印发云南省公路开...
第1页共3页编号:时间:2021年x月x日书山有路勤为径,学海无涯苦作舟页码:第1页共3页夯实水泥土桩复合地基检验批质量验收记录(GB50202-20...
第1页共3页编号:时间:2021年x月x日书山有路勤为径,学海无涯苦作舟页码:第1页共3页水泥土搅拌桩地基检验批质量验收记录(GB50202-2002)...
第72页共1页编号:时间:2021年x月x日书山有路勤为径,学海无涯苦作舟页码:第72页共1页夯实水泥土桩复合地基工程检验批质量验收记录表GB50...

