绝缘电阻表(兆欧表)检定规程 VerificationRegu lationofMegohmmeter JJG622—97 本检定规程经国家技术监督局于 1997 年 10 月 24...
绝 缘 电 阻 测 试 仪使用规范 一、 该使用规范仅适用于UT512 绝缘电阻测试仪。 1、 UT512 是一台智能微型仪器即绝缘测试仪器...
. . 绝缘电阻测试记录 工程名称 施工单位 计量单位 MΩ(兆欧) 测试时间 年 月 日 仪表型号 ZC-7 电压 500V 天气情况 晴...
绝缘电阻/接地电阻实际测量操作应用知识 目 录 第一章 防雷 第二章 防静电 第三章 如何操作兆欧表 第四章 如何操作接地电阻测量...
绝缘电阻测试记录 该记录适用于单相、单相三线、三相四线、三相五线制的照明、动力线路及电缆线路、电机等绝缘电阻的测试。表中 A 代表...
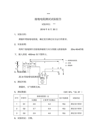
接 地 电 阻 测 验 记 录 单位名称 仪表型号 ZC52B-4 型 工程名称 玫瑰花园1~ 9#楼 测验日期 2007 年 3 月 28 日 ...
绝缘电阻和吸收比试验 测 量 设 备 的 绝 缘 电 阻 , 是 检 查 其 绝 缘 状 态 最 简 便 的 辅 助方 法 在 现...
绝缘电阻、吸收比试验 一、绝缘电阻试验使用范围 绝缘电阻试验是电气设备绝缘试验中一种最简单、最常用的试验方法。当电气设备绝缘受潮,...
电力变压器绝缘电阻、吸收比与极化指数 一、 工作目的 电力变压器是发电厂、变电站和用电部门最主要的电力设备之一,是输变电能的电器。...
绝缘子的绝缘电阻及耐压试验 绝缘子是电网中大量使用的一种绝缘部件,当前应用得最广泛的是瓷质绝缘子,也有少量的玻璃绝缘子,有机(或复...
绕线异步电动机串电阻起动
一 课题背景 2 1 启动前的准备.....................................................................................................
高中物理实验 练习使用多用电表测电阻 实验练习题 1 .按照有效数字规则读出下列电表的测量值. ⑴ ⑵ 接0~3V 量程时读数为________...
下载后可任意编辑钳形接地电阻测试仪项目可行性讨论报告评审方案设计(2024 年发改委标准案例范文)【编制机构】:博思远略咨询公司(360...
施工现场绝缘电阻测试记录表表 D6工程名称赤峰玉龙国宾馆二期工程扩建项目仪表型号ZC-25-4施工单位中国建筑第八工程局有限公司天气情况测...
.WORD. 格式 . 专业整理资料分享表 8.5.8 建筑施工现场临时用电绝缘电阻测试记录工程名称 : 金地国际城二期 14年 5 月仪表名称兆...
浅谈光电池与光电阻传感器 光电池 一、光电池及其种类 光电池是光电类传感器的一种,是一种特殊的半导体二极管,能在不加偏置的情况下将...
浅谈光电池与光电阻 默认分类 2009-05-10 16:43:18 阅读 308 评论 0 字号:大中小 检测技术报告 时间:2008-12-28 02:04:32 Ta...
表8.5.8 建筑施工现场临时用电绝缘电阻测试记录 工程名称:金地国际城二期 14 年5 月 仪表名称 兆欧表 工作电压 220/380V 设备名...
接地电阻测试记录表 工程名称 恒大名都二期-7#楼 测试仪器名称 兆欧表 测试仪器型号 ZC52B – 4 型 测试人 监测人 接地类别及...

