地下管线探测作业指导书1.地下管线普查基本技术要求1.1地下管线点探查精度地下管线点探查精度地下管线中心埋深(cm)水平位置限差(cm)埋深...
地下管线探测刘博文二○○八年七月地下管线探测北京市测绘设计研究院第1章概述1.1地下管线的重要性地下管线是城市基础设施的重要组成部分...
城市地下管线探测技术与探测设备2012年8月摘要:本文分析了地下管线探测的特点及其工作原则,阐述了目前城市地下管线探测主要技术方法、特...
XX市地下管线探测技术设计xxxxxxxxxx二〇一五年四月XX市地下管线探测技术设计编写单位:xxxxxxxx编写者:审批单位:审批者:xxxxxxxxxxxx二...
山东正元地下管线数据处理系统(ZysppsVer2.0)使用说明一、数据录入在开始录入物探数据之前,请先对用户设置文件[...\Support\Userset.ini...
开创大道与宏明路交叉口立交工程地下管线施工保护专项方案目录一、工程概况.......................................2二、管线工作量.........
地下管线普查监理实施细则2008年2月目录第一章总则……………………………………………1第二章任务履行监理…………………………………4第...
技术交底工程名称江苏省政务中心项目二期桩基工程建设单位江苏省机关事务管理局施工单位中国地质工程集团公司作业内容地下管线安全技术交底...
编号:嘉善县新城区地下管线普查工程技术设计书浙江省测绘大队二○一六年一月二十日嘉善县新城区地下管线普查工程技术设计书项目承担单位(...
地下管线及已有设施保护措施本工程施工时我们将对施工范围内的架空线及地下管线采取保护措施。同时施工范围附近也有许多构筑物,施工期间对...
地下管线及其它地上地下设施的保护加固措施1、地下管线保护加固措施(1)施工前,先用我单位先进的金属管线探测仪进行探测初步摸清管线的走...
东莞东站站房改造工程项目经理部地下管线及其他地上地下设施的保护加固措施(1)保护措施(1)详细阅读、掌握设计、建设单位提供的地下管线...
地下管线及其地上地下设施的保护加固措施一、调查分析首先在工程施工前,加强对施工区域管线的调查工作,将工作做在前面,防范于未然。(1...
地下管线基础知识城市地下管线种类繁多,结构复杂,不同种类地下管线埋设特征也不同,作为地下管线探测工作者,有必要学习地下管线的基础知...
备案号:DB11北京市地方标准DB11/T594.1—201*地下管线非开挖铺设工程施工及验收技术规程第1部分:水平定向钻施工Codeforconstructionandacc...
1、工程概况序号项目内容1工程名称***道路工程随路污水管线工程2建设单位***房地产开发有限公司3设计单位***勘察设计院集团有限公司4施工单...
地下管线测量的方法和质量控制要点1为确保信息准确,请作者在此处填写上姓名、工作单位、当地邮编2、如果有需要修稿的地方,请您用红色字体...
福龙路(广深港铁路桥段)排水工程管线保护专项方案编制人:审核人:审批人:施工单位:深圳市兴宏达建设工程有限公司编制日期:2016年12月...
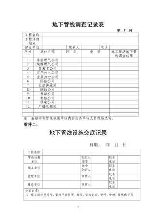
1地下管线调查记录表年月日工程名称工程详细地点建设单位联系人电话序号单位名称姓名电话施工现场地下管线调查结果1泰能燃气公司2埃维燃气...
市政基础设施工程地下管线保护(方案)报审表工程名称:嘉爵园南侧路工程编号:市政监-2致:广东省城规建设监理有限公司(监理单位)我方已...

