XX 省化解钢铁过剩产能工作方案 XX 县区钢铁行业化解过剩产能防范“地条钢”死灰复燃工作报告 我县认真贯彻落实国家及省市关于钢铁行业...
下载后可任意编辑去产能视域下柳钢集团管理会计运用探究:诊断、分析与策略去产能视域下柳钢集团管理会计运用探究:诊断、分析与策略 阙卫...
XX 省化解钢铁过剩产能工作方案 为深入推进供给侧结构性改革,全面落实国家批复的《XX省钢铁产业结构调整方案》和省政府《关于钢铁行业化...
下载后可任意编辑产能过剩:概念界定、讨论谱系与理论架构产能过剩:概念界定、讨论谱系与理论架构 打开文本图片集 摘要: 为使产能过剩形...
-- - 1 --- 目录第一章总论 ............................................. - 1 -一、项目基本情况................................
厦门奥特乐电子有限公司Xiamen Aottler Electronics CO.,LTD产能分析报告一、重要产品信息产品名称型号设计年产能需求计划备 注T73-2T7...
2 0 1 4 公司产能分析报告模板 一、产能修改记录及主要产品信息 注:产能分析报告——修改记录 1)产能发生变化时以便及时追踪。如...
中国广东东莞市南城区国际商会大厦 708 电话:86-769-21680411 傳真:86-769-21680405 1/7 超弦制造部周生产计划、产能表 部门: 自...
v1.0 可编辑可修改1 施工机械设备的生产能力及适用条件一、 土方机械:( 一)推土机:1. 主要功能:装有推土铲刀主要对土石方或散状物...
新形势下的网点产能提升训练营课程背景:为提升零售业务竞争力和网点盈利能力,应对日趋激烈的竞争,银行一直在积极探索并实践网点转型。经...
赤壁市 2014 年度新增千亿斤粮食产能规划田间工程工程一标段施工组织设计编制人:审核人:审批人:湖北哲瀚建筑安装工程有限公司二〇一五...
XX 县 2010 年新增千亿斤粮食产能规划田间工程大中型灌区末级渠系建设工程实 施 方 案扬州市勘测设计研究院有限公司乙级设计证书编号...
吉安化解过剩产能工作 2018 年煤炭化解过剩产能工作要点 深入学习贯彻习近平新时代中国特色社会主义思想和党的十九大精神,认真贯彻落实...
下载后可任意编辑[关于开展我县水泥行业淘汰落后产能安全生产和职业健康专项行动工作方案]水泥淘汰落后产能标准 **县关于开展我县水泥行业...
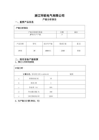
浙江环欧电气有限公司产能分析报告一、重要产品信息产品名称型号设计年产能需求计划备 注JP 柜JP4000 台2500单班二、现有设备产能核算1...
下载后可任意编辑军工行业 2024 投资主线-产能拐点年军工行业 2024 投资主线-产能拐点年1 新建产能进入集体爬坡阶段,行业利润弹性已...
东莞市盛拓五金塑胶有限公司DONGGUAN SHENTUO HARDWARE PLASTIC CO.,LTD管 理 办 法产能考核管理办法文件编号ST-MOP-QC-002文件版...
下载后可任意编辑1.0、制定目的 规划生产计划安排前对制造产能与生产负荷之间是否平衡的分析,使生产计划合理、可靠,并可作为事前之设备...
吉安化解过剩产能工作 XX 市化解过剩产能工作领导小组办公室 吉化解产能办字〔2018〕6 号 关于贯彻落实全国严防“地条钢”死灰复燃工...
下载后可任意编辑中国线性低密度聚乙烯(LLDPE)产能、进出口贸易、价格走势及主要企业经营情况分析 一、定义及应用 LLDPE 一般指线性低...

