仪表管路吹扫、试压方案 Blow ing and pressure test plan of instrument pipe-route 1、编制说明: 仪表管路吹扫、试压工作宜...
中压蒸汽吹扫试压方案 中压, 蒸汽, 试压, 方案 蒸汽吹扫 一、吹扫的目的 清除在安装,施工过程中残留的杂物,焊渣,铁锈等物。防止...
XX 工程 吹 扫 试 压 方 案 编制: 审核: 审批: XX 公司 日期: 年 月 日 一、 工程概况 1、工程简述 本工程为XX 工程...
山东神驰化工有限公司 80 吨/时酸性水汽提装置项目 (中低压管道压力) 试 压 方 案 编 制: 审 批: 审核人: 山东兴润建设有...
郑州地铁2 号线一期 FAS 及气体灭火系统工程 气体灭火系统管道压力试验方案 编制人: 审核人: 批准人: 2015 年 12 月 20 日...
河南省心连心化肥原料结构调整项目尿素主装置工艺管道试压方案河南省安装集团有限责任公司心连心项目部年月日I编制:审核:批准:II一、编...
六环路天然气工程京包联络线通球试压方案北京城建道桥建设集团有限公司六环路天然气工程京包联络线项目经理部2014年9月3日1目录一、编制依...
A.0.6 旁站记录工程名称:编号:旁站的关键部位、关键5-1F 地暖管安装施工单位工序试压旁站监理开始时间2016.06.08 7:30旁站监理结束时...
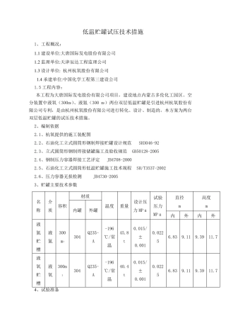
低 温 贮 罐 试 压 技 术 措 施 1、 工 程 概 况 : 1.1 建 设 单 位 :大 唐 国 际 发 电 股 份 有 限 公...
各种阀门的试压方法一般情况下,工业阀门在使用时不做强度试验,但修补过后阀体和阀盖或腐蚀损伤的阀体和阀盖应做强度试验。对于安全阀,其...
*******工程西区水源置换工程(二标段) 管道试压专项施工方案 编制: 审核: 审批: *******工程西区水源置换工程(二标段) 管道试...
抚顺市东洲区天然气综合利用项目吹扫试压方案专项施工方案编制:刘洋审核:邓忠民审批:张帮全中通建设(集团)有限公司第二十二分公司日期...
辽 宁 建 工 集 团 有 限 公 司 LIAONING CONSTRUCTION GROUP CO., LTD 沈阳地铁九号线一期工程燃气管线迁改(二期)工程 地...
施工组织设计(方案)报审表 工程名称:安徽贵航1#1080m 3 高炉工程 致: 安徽贵航特钢有限公司 我方根据施工合同的有关规定完成了 ...
下载后可任意编辑管沟开挖回填、管道试压制度一、管沟开挖、回填必须按指定专人负责指导,严格按图纸和规程要求执行。 二、尺寸、数量、填...
第 1 页 共 10 页天然气综合利用项目输气管线工程管道压力实验方案编制:审核:施工单位:设备安装集团有限公司日期: 2017 年月日...
下载后可任意编辑工艺管道试压吹扫施工方案(超级有用):管道吹扫 表 A.1 施工组织设计/(专项)施工方案报审表工程名称:太仓中石油润滑...
1.工程概述 22.编制依据 23.管道系统统计表 24.试压工作程序 25.压力试验具备的条件 46.试压的准备 47.管道系统试压 58.特殊管线的...
- 来源网络轻烃液化气装车软管试压安全管理规定第一章总则第一条为保证轻烃液化气装车软管安全可靠,充分发挥其使用性能,特制定本规定。...
仅供参考 [整理 ] 第 1 页 共 3 页安全管理文书试压泵安全操作规程日期: __________________单位: __________________仅供参考...

