For personal u se only in stu dy and research; not for commercial u se 表号:SCCS-JL-7.5-02 项目名称安邦保险上海张...
福建省工程建设地方标准 DB 工程建设地方标准编号: DBJxxx—2019 建住房和城乡建设部设部备案号: 福建省建筑施工承插型盘扣式钢管支...
建筑施工承插型盘扣式脚手架主要构配件一、盘扣节点应由焊接于立杆上的连接盘、水平杆杆端扣接头和斜杆杆端扣接头组成。_|C37盘扣结点1—连...
盘扣脚手架 安 全 专 项 施 工 方 案 编制人: 职务: 校对人: 职务: 审核人: 职务: 审批人: 职务: 目 录 第一章...
1 盘扣式支架作业指导书 一、盘扣组成及特点 本项目盘扣材质均采用Q345A,盘扣支架主要由立杆、水平杆、竖向斜杆、可调底座、可调托座...
上海**************一期工程落地式盘扣卸料平台专项施工方案上海建*****有限公司2023 年 07 月 02 日上海* * * * * * * * * ...
承 插 型 盘 扣 式 钢 管 脚 手 架 计 算 书 工 程 信 息 : 工 程 名 称 : 未 命 名 工 程 ; 方 案 编...
目 录 第一章 编制依据及工程概况 1 第一节 编制依据 1 第二节 工程概况 2 第二章 施工准备 3 第一节 技术准备 3 第二节...
目 录 第一章 编制依据及工程概况 1 第一节 编制依据 1 第二节 工程概况 2 第二章 施工准备 3 第一节 技术准备 3 第二节...
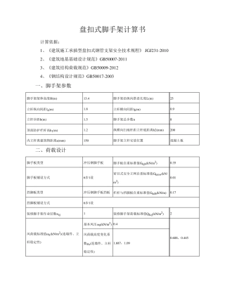
// 盘扣式脚手架计算书 计算依据: 1、《建筑施工承插型盘扣式钢管支架安全技术规程》 JGJ231-2010 2、《建筑地基基础设计规范》GB500...
. 一、工程概况 工程名称:*** 建设单位:*** 监理单位:*** 设计单位:*** 勘察单位:*** 施工单位:*** 建设地点:*** ***工程...
盘扣式脚手架计算书 计算依据: 1、《建筑施工承插型盘扣式钢管支架安全技术规程》 JGJ231-2010 2、《建筑地基基础设计规范》GB50007-2...
浙江黄龙体育中心游泳跳水馆 装修装饰工程 满 堂 脚 手 架 搭 拆 专 项 方 案 编制: 审核: 审批: 杭州鸿顺建筑装饰工程...
盘扣式脚手架支撑方案1 耒阳碧桂园项目 模 板 工 程 专 项 施 工 方 案 (承插型盘扣式钢管与钢管混搭支撑系统) 湖南大华建...
范文范例参考 W ORD 格式整理 盘扣式脚手架常用规格型号 由于盘扣式脚手架应用越来越普遍,由于跟传统脚手架稍微有些区别,所以对于没...
盘扣式脚手架及支撑架专项施工方案
盘扣式脚手架常用规格 由于盘扣式脚手架应用越来越普遍,由于跟传统脚手架稍微有些区别,所以对于没有接触过的人来说,总是会问这个问题,...
盘口脚手架 安全专项施工方案 (受力验算) 2020 年 3 月 脚手架工程安全专项施工方案 1 目 录 第一章 工程概况 ------------...
施工组织设计(专项施工方案)报审表 编号: 工程名称 施工单位 编制单位 现报上 盘扣式模板支撑架施工专项 方案,请予以审查。 主...
A04 XX 工程 (盘扣式脚手架) 内容提要: 工程及脚手架搭设、拆除概况 脚手架搭设、拆除重点、难点 监理工作依据 监理组织机构 ...

