塔吊群吊作业应急预案一、编制说明:为确保施工过程中垂直运输作业的安全,本着“安全第一,预防为主”和“生产必须保证安全”的管理方针理...
QTZ63E塔式起重机安装使用说明书目录第一章概述………………………………………………2第二章起重机技术性能…………………………………5第...
塔吊司机应知考试试卷_secret机械手应知考试试卷姓名:单位:成绩:1.严格遵守机械使用说明书中的,不作业。2.不在-20度以下和度以上气温...
塔吊旁站表格重大危险源旁站检查记录(塔机)工程名称:编号:承包单位:旁站的工程部位:塔机(安装)起始时间:年月日时分结束时间:年月日时...
a来iSsLT)24/22/22/3.52.4/1.5s2sVO10(整定6.5A)ocomocomocomocom
QTZ40(5008)何S3<3山东大成机械有限公司目录1.概述32.起重机技术性能42.2技术性能表52.3供电设备性能53.起重机构造简述53.1金属结构53.2工...
此资料由网络收集而来,如有侵权请告知上传者立即删除。资料共分享,我们负责传递知识。塔吊司机用工合同塔吊司机被称为云端工作者,那么塔...
表B塔式起重机安装验收记录表工程名称塔式起重机型号设备编号起升高度m幅度起重力矩KN•m最大起重量t塔高m与建筑物水平附着距离m各道附着间...
塔吊基础设计(单桩)计算书工程名称:振华电子工业厂区工程编制单位:中国振华集团建筑工程公司1.计算参数(1)基本参数工程建筑面积29503.4...
塔吊维修保养记录表塔吊编号:001工程名称山西兴华科技股份有限公司2*35万吨/年铝基新材料项目二期--母液蒸发工程塔吊使用单位中铝万成山东...
厦门中宸集团有限公司住宅莲花新城3#地块地下室与上部工程QTZ80(Q5613)附墙杆件设计、安装专项施工方案编制人:审批人:厦门市正德利实业发...
塔吊施工安全要点一、施工过程中的风险因素1、各类机械设备安装运行伤人使用机械设备因操作不当或工具故障导致机械伤人。2、用电安全在处理...
塔吊租赁协议范本2015-03-2314:57来源:纠错|打印|收藏|大|中|小分享到:机械租赁合同合同编号:承租方(甲方)出租方(乙方)根据《中华人...
塔式起重机每月检查表工程名称塔式起重机型号设备编号起升高度m幅度m起重力矩KN·m最大起重量t塔高m与建筑物水平附着距离m各道附着间距m附...
塔吊租赁合同格式承租方:(以下简称甲方)出租方:(以下简称乙方)甲方_______________________项目施工中需要塔吊,现经甲乙双方友好协商,...
塔吊承台桩基础的常规设计与计算○王国平(中铁建工集团承包总公司)日前,在深圳市关外地区的房地产开正发热火朝天。其中众多的建筑地基是...
专业合同封面COUNTRACTCOVER20XXPERSONALRESUME甲方:XXX乙方:XXX2024年塔吊设备购买合同本合同目录一览第一条合同主体1.1买方信息1.2卖方...
专业合同封面COUNTRACTCOVER20XXPERSONALRESUME甲方:XXX乙方:XXX2024年塔吊分包商的施工标准合同本合同目录一览1.合同概述1.1合同双方1.2...
塔吊喷淋降尘策划一、前言随着城市雾霾的日益严重,人们对空气的质量越来越重视,扬尘污染作为城市雾霾的元凶无疑成为了人们倍加关切的热点...
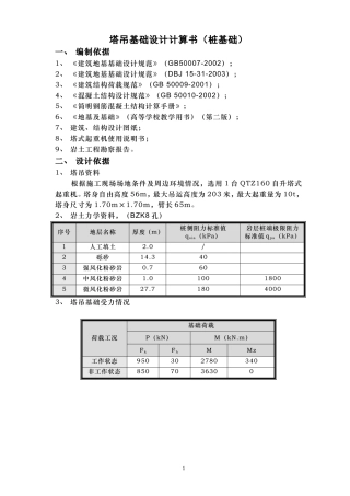
塔吊基础设计计算书(桩基础)一、编制依据1、《建筑地基基础设计规范》(GB50007-2002);2、《建筑地基基础设计规范》(DBJ15-31-2003)...

