水沟施工技术措施 1、仅供参考[整理]安全管理文书水沟施工技术措施日期:__________________单位:__________________第 1 页共 5 页...
可修编.黑臭河道治理,黑臭河道方案,臭水沟治理黑臭河道:由于长期的外源污染输入,尤其是合流制系统雨天溢流、分流制系统雨污混接及降雨...
北京中西医执业医师针灸学:水沟-04-07 考试题一、单项选择题(共 25 题,每题 2 分,每题旳备选项中,只有 1 个事最符合题意) 1...
中铁十三局集团有限公司 兰渝铁路LYS4 标 目 录 一、编制依据、原则及范围 .........................................................
目 录 一、商务标 1.1 投标书 1.2 唱标一览表 1.3 预算文件 二、综合标 2.1 投标单位的概况 2.2 法定代表人授权委托书、油田...
第 1 页精品文档---下载后可任意编辑水沟修建合同范本 水沟修建合同范本 随着宽阔人民群众法律意识的普遍提高,越来越多的场景和场合需...
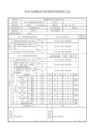
监理单位验收记录123应测点数合格点数合格率(%)123110131933100砌石砌块25733100砌石砌块45833100砌石砌块7101233100砌石砌块35933100砌...
监理单位验收记录123应测点数合格点数合格率(%)1231砌石砌块砌石砌块砌石砌块砌石砌块砌石砌块7一般项目4墙面垂直度(mm)5边线直顺度(mm)...
目 录 一、工程概况 ..............................................................1 二、施工管理组织机构框图 ....................
1 三级技术交底记录 工程名称 铁路工程 编号 交底日期 施工单位 分项工程 名称 截水沟 交底班组 路基防护 页数 交底内容:截...
技术交底书 交底单位:中铁四局集团市政分公司淮南项目部 编号: 第 页 共 页 工程名称 淮南市山南新区纬四路下穿隧道工程 设计文...
燕楼-孟关、遵义南-和平、遵义-高坪支线地质灾害治理工程 施 工 方 案 编制人: 审核人: 审批人: 编制单位: 日 期: 目 录...
精品文档---下载后可任意编辑风水沟煤矿软岩支护的讨论的开题报告一、选题背景和意义目前我国的煤炭资源开采已进入到深层和超深部分,由此...
精品文档---下载后可任意编辑施工单位:中交二航局西成客专项目部 合同号:XCZQ-02监理单位:西安铁一院工程监理咨询有限责任公司 编 号...
贵州高速公路集团有限公司建设项目贵州省六盘水至威宁(黔滇界)公路AK0+390~AK0+770 右侧截水沟工程(首件)施工方案编制:复核:审核:...
目录一、工程简介.....................................................................................................................
(完整)梯形水沟滑模施工工法梯形水沟滑模施工工法1.前言新建青岛至连云港铁路位于胶东半岛南部,连接山东省胶东半岛、日照地区与江苏省连云...
城郊煤矿企业 标 准 Q B/ K J-06-2011 槽式道床、水沟及台阶等施工标准 (修订版) 编 制:翟景辉 审 核:王 伟 副 总:刘...
纳雍县猪场乡后寨煤矿主斜井砌筑水沟及台阶安全技术措施人:总工程师:矿长:编制时间:宋凡滨刘遵超2017 年 7 月 1 日后寨煤矿安全技...
下载后可任意编辑社区水沟修建方案讨论背景社区作为人们居住和生活的地方,其功能不仅仅局限于住宅和商业区域,还涉及到公共设施、交通等方...

