物理选修3-4 第十二章机械波单元教学设计 一、任务分析 1.课程标准 (1)通过观察,认识波是振动传播的形式和能量传播的形式。能区别横波...
第一节 机械振动 物体(或物体的一部分)在某一中心位置两侧所做的往复运动,就叫做机械振动,简称为振动. 第二节 简谐运动 一、简指...
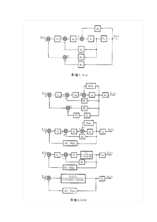
1 1 2 .1 波的形成和传播 教学目标 一、知识目标 1.通过演示实验,让学生认识机械波及其形成条件. 2.通过分析讨论理解机械波的概...
1 机械波专题----机械波、叠加 一、机械波 1、定义:机械振动在介质中传播就形成机械波 2、机械波产生的必要条件是: (1)有作机械振...
机械模型次时代建模流程 一、低模拓扑 1.高低模的匹配 ★ 2.低模的最优化 ★★ 3.展 U V 的最优化 ★ 4.低模烘培要求 ★ 二、...
机械模具类专业术语及加工方法详解、 1 多点成形技术多点成形技术是金属板料三维曲面成形的一种柔性加工方法,其基本思想是将传统的整体...
机械标准件手册1
根据国家标准,以下为部分塑料模具成形术语的标准翻译。 动 模 Movable Mould Moving Half 定模座板 Fixed Clamp Plate Top Cl...
一、填空题 (1 5 分) 机械检查工试题2 1、质量检验的三按分别是按图纸、 按工艺 和 按操作指导书 。 2、公司的质量方针是 质...
试卷编号: 06GL20000000-60706050440001 第 1 页 共 7 页 职业技能鉴定题库 中级机械检查工理论知识试卷 注 意 事 项 1.考...
机床行业英汉对照 (-) 3-Jaws indexing spacers 三爪、分割工具头 A.T.C.system 加工中心机刀库 Aluminum continuous melting...
机构自由度计算方法 机 构 自 由 度 的 计 算 例子 机械原理 机构自由度的计算是机构的结构分析的重要内容。任何一个机构设计好...
课 程 思 政 实 施 方 案 [适 用 机 械 ( 本 科 ) 专 业 ] 课 程 名 称 : 三 维CAD 软 件 应 用 及 实...
隐 形 眼 镜コ ン タ ク トコ ン タ ク ト再 次再 びふ た タ ブ削削 る离 合 器ク ラ ッ チ空 滤 器エ ゕ ク ...
广东省清远监狱增容扩建项目-武警营房36a# 旋挖桩施工方案 【广州机施建筑集团有限公司】 1 第1 章 工程概况 1 .1 工程概述 本工...
第 1 页 共 3 3 页 凯里经济开发区工业职业技术学校二期 旋挖钻孔灌注桩 专 项 施 工 方 案 编 制: 审 核: 审 批:...
机械作业专项施工方案 一、工程概况 1、 工程名称:乌鲁木齐市华光街东延项目 2、 建设地点: 乌鲁木齐市华光街东延; 3、 施工单位:...
. . 旋 挖 成 孔 灌 注 桩 . . 一、 一般规定 1 旋挖成孔施工具有低噪音、低振动、扭矩大、成孔速度快、自带动力、无泥浆循...
编 号 名 称 新产品开发管理流程 发布日期 版 次 生效日期 推行小组 第 1 页 编制者 批准 更改单号 更改者 更改日期 共...
第九章:机械效率——计算 机械效率计算1 机械效率典型计算公式 基础过关: 1.大军用某机械将一500N 的重物匀速提高1m,做的额外功是...

