车 辆 验 算 荷 载 一 .定 义 在 桥 上 行 驶 的 车 辆 种 类 繁 多 , 有 汽 车 、 平 板 挂 车 、 履 ...
车库顶板行车及各类堆载验算实例计算书 一、计 算 依据 1、《建筑施工模板安全技术规范》JG.J162-2008 2、《建筑施工安全检查标准》JG...
下载后可任意编辑目 录一、工程概况...................................................................................................
带式输送机提升水平计算书工程工程名称:盘县黑皮凹子煤矿主斜井运输系统设备型号:DTL80-35/2*75图号〔工程代号〕:公司名称:计算人:校...
绞车提升能力计算 (1)已知条件: 巷道斜长:L=60m 巷道最大倾角:β =8° 矿车阻力系数:f1=0.015 钢丝绳阻力系数:f2=0.15 选用...
危化企业高温高压,有毒有害.平安联锁系统〔SIS 〕是阻止事故发生最关键的一个环节.那么什么样的平安联锁系统〔SIS〕算是合格的系统呢, 怎...
第一节现浇箱梁支架设计验算一、主线桥满堂支架布置验算(一)验算荷载选择具有代表性的东快速第 2 联(标准段)、东快速第 6 联(加宽...
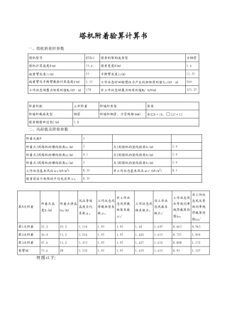
塔机附着验算计算书 一、塔机附着杆参数塔机型号QTZ63塔身桁架构造类型方钢管塔机计算高度H(m)75.6塔身宽度B(m)1.6起重臂长度l1(m)55平衡...
墩 柱 模 板 设 计 验 算 书 1、 计 算 依 据 和 参 考 (1) 《 建 筑 结 构 荷 载 规 范 》 (GB 50009-2001)...
钢筋混凝土屋架的扶直与吊装验算【学员问题】钢筋混凝土屋架的扶直与吊装验算?【解答】钢筋混凝土屋架在扶直和吊装阶段的受力情况,和使用...
结构构件计算书第 1 页,共 3 页挠度验算计算书项目名称 _____________日期_____________ 设 计 者_____________校 对 者_______...
抗滑桩设计盐酸步骤一.采用传递乘数法计算划破推力:下坡推力:1tancossiniiiiiiiELCWKWiEi;传递乘数:iiiiitan)sin()cos(11;第一块下滑...
悬臂梁施工三角挂篮结构强度验算(某跨河桥)铁路桥及公路桥用到的悬臂挂篮施工方法的有很多范例,根据以往的的经验可以改造成符合自己桥梁...
悬挑脚手架作用下阳台梁承载力验算根据本工程特点,型钢工具式悬挑脚手架分别在二层、八层、十四层、二十层结构悬挑,考虑到阳台处脚手架外...
钢管桩设计: 施工过程中需行走履带吊按50T履带吊计算荷载 按桩的容许承载力为 aR= 544.90KN进行计算桩的入土桩长,且不考虑桩端的...
混凝土构件配筋及钢构件验算简图 1 .混凝土梁和型钢混凝土梁: Asu1、Asu2、Asu3----为梁上部左端、跨中、右端配筋面积(cm2) Asd1、A...
下载后可任意编辑目 录一、工程概况...................................................................................................
基坑稳定性分析之抗隆起验算 在基坑开挖时,由于坑内土体挖出后,使地基的应力场和变形场发生变化,可能导致地基的失稳,例如地基的滑坡、...
地库顶板承载力验算 本工程根据现场实际需要,在2#楼与5#楼之间地库顶板上划定一块约15m×20m区域作为钢管、扣件堆场,四周用定型化防护门...
NO.2013G49 地块项目A 地块工程 地下室顶板道路及堆场加固方案 编制单位: 南京建工集团有限公司 * * 人: * * 编制日期: 二...

