渠道颁奖主持词篇一: XX大型渠道会议主持稿( 非常精彩 !) XX年度 XXXXZZ渠道经销商会议主持稿1. 会前催场:尊敬的各位来宾,各位经...
渠道销售管理制度第一章总则第一条目的为了贯彻“以市场为导向”的方针,统一规范公司渠道销售工作,提高公司销售业务的管理水平,迅速扩大...
渠道销售序列胜任能力模式(V.6) 联想集团2002 年 2 月关于本材料联想集团与翰威特咨询公司合作, 共同发展专业序列的胜任能力模式,该...
渠道销售实习报告篇一:销售实习报告北华大学学生实习报告实习单位:长春市启航电子有限公司学院:电气信息工程学院专业:电子信息工程班级...
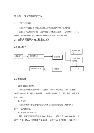
第七章渠道衬砌防护工程1、主要工程内容本工程的护坡包括整个堤段的混凝土自锁式预制块护坡、草皮护坡。混凝土自锁式预制块护坡:在迎水侧...
渠道销售工作计划范文篇一:销售计划书范文销售计划书范文20XX-05-31 15:10 根据公司20XX 年度深圳地区总销售额1 亿元,销量总量 5 ...
渠道销售合同范本(文中 蓝色字体 下载后有 风险提示 )甲方:法定代表人:传真:电话:风险提示 :签订前对合作对象的审查,有助于在...
渠道营销策划书篇一: XX年度渠道营销计划书市 场 渠 道 营 销 计 划 书文:黄柳江XX/10/11 一、 市场状况:1、移动电源现状:...
渠道维护工模拟题一、填空题1. 水泥浆体失去可塑性后, 强度逐渐增大, 变成坚固的水泥石, 这一过程称为水泥的(凝结硬化)2. 水泥的...
1 进出口渠道衬砌施工方案一.工程概况沙河(北)倒虹吸工程是南水北调中线工程总干渠的主要输水建筑物之一,工程由穿河建筑物(倒虹吸)...
WORD. 蜕变与重生当我们试图梳理拥有20 年发展历史的个人电脑(PC)在流通领域中的营销模式,即所谓的PC渠道模式时,我们首先要做的工作...
完美WORD 格式专业 知识 分享施工组织设计第一章工程概况第二章施工方法第三章施工进度管理第四章项目和施工管理组织第五章工程质量保证...
2.传销又叫 “多层次营销” ,是一种以 ______为理论基础, 以人情为联系纽带,以人际传播推广为主要形式的商品营销方式。 B 市场倍...
渠道管理策略目录一、 渠道定义与分类二、 渠道佣金策略三、 渠道管理策略四、 渠道销售策略五、 渠道执行计划附录一渠道代理协议附录...
个人收集整理勿做商业用途1 / 6 渠道管理部渠道销售职位说明书岗位名称:渠道销售岗位编号:所在部门:渠道管理部岗位定员:直接上级:...
渠道管理策略目录一、渠道定义与分类二、渠道佣金策略三、渠道管理策略四、渠道销售策略五、渠道执行计划附录一 渠道代理协议附录二 客户...
渠道疏挖工程专项施工方案第一章、工程概况 .............................................. 3一、工程内容: ..........................
完美 WORD 格式专业知识分享目录一 、 工 程 概 况 .............................................................................
本文档如对你有帮助,请帮忙下载支持!渠道管理制度一、部门职责渠道部,隶属宁夏众和房地产开发有限公司营销部下的重要职能部门,主要承担...
第一分部渠道施工方案一.编制依据1. 周至县 2012 年中央财政小型农田水利重点项目渠道设计图纸;2. 现行施工规范,施工组织设计;3. ...

