NPT 牙、PT 牙、管螺纹的区别一、NPT 牙 NPT 就是一般用途的美国标准锥管螺纹。 其中 N 表示 National(American)美国国家标准,P...
水管分类及螺纹常识 一.开头先说说公英制常用单位换算: 1 英寸=2.5400 厘米=24.5mm 如:英制1/2"=24.5mm/2=12.7mm 1 英尺 =12 ...
气动不锈钢内螺纹三片式二片式球阀说明书
检测螺纹大小的方法 (1)检测小尺寸螺纹(如M6×1,M6×0.75,M5×0.8 等)。 (2)检测大尺寸螺纹(如M132×1.5/K25JL3,M147×1.5/MMD152...
梯形螺纹基本知识 1)梯形螺纹车刀角度,如图4.1 所示。 2)梯形螺纹切削方法:在数控车床上加工螺纹的方法有直进法、斜进法、左右进刀法...
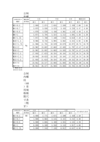
公称直径d 螺距p 中径d2=D2 大径D4 小径 第一系列 第二系列 d3 D1 8 - 1.5* 7.25 8.3 6.2 6.5 - 9 1.5 8.25 9.3 7.2...
桩 基 钢 筋 笼 采 用 分 体 式 直 螺 纹 套 筒 连 接 快 速 施 工 工 法 中铁十八局集团有限公司 中国建筑科学研...
量针规格尺寸下偏差尺寸下偏差磨损偏差T1.7810Z1.9541.8690T3.0452.7160Z2.9192.8140T4.0453.5860Z3.8473.7020T5.0454.5210Z4.8094.6440T6....
机械设计题库04_螺纹联接和螺旋传动
3 8 第四章 螺纹联接与螺旋传动 案例导入:一部机器是由很多零部件联接成一个整体的,螺纹连接是最常用的连接方式;螺旋千斤顶是应用最...
第 十 五 章 螺 纹 连 接 和 螺 旋 传 动 15-1 15— 4 一 牵 曳 钩 用 2 个 M10 的 普 通 螺 钉 固 定 于...
1 十四章螺纹习题与参考答案 一、单项选择题(从给出的A、B、C、D 中选一个答案) 1 当螺纹公称直径、牙型角、螺纹线数相同时,细牙螺...
1 例13-1 如图所示,用8个M24(d1=20.752 mm)的普通螺栓联接的钢制液压油缸,螺栓材料的许用应力][ =80 MPa,液压油缸的直径D =20...
螺纹连接习题解答 11—1 一牵曳钩用 2个 M10的普通螺钉固定于机体上,如图所示。已知接合面间的摩擦系数 f=0.15,螺栓材料为 Q235、...
- 1 - 机械基础 1 螺纹 1・1 螺纹的种类和特征 1・1・1 螺纹的基础 (1)螺纹升角和牙型角的关系 将直角三角形的纸张卷到圆柱上...
1 平泉县职教中心 机械基础 课精品教案 姓 名 王 单 位 平泉县职教中心 科 目 机械基础 课 题 名 称 课 型 新授 7 课...
第 一 系 列第 二 系 列第 三 系 列0.25*0.8380.7290.20.870.7380.25*0.9380.8290.20.970.8830.25*1.0380.9290.21.070.9830.3*1.2...
机械制图螺纹练习题
机械制图标准-机械制图--螺纹及螺纹紧固件画法 发布:admin | 发布时间: 2010 年8 月23 日 中华人民共和国国家标准 UDC 621.71:7...
机加螺纹底孔标准

