声控直流电机控制器设计报告关键词:声控、信号放大、三稳态一. 设计要求设计声音接收电路,当拍一次手时,控制电机(用红绿两个发光二极...
编号: 声光控制的照明系统设计题 目: 声光控制的照明系统设计 院 (系):专 业:学生:学 号:指导老师: 职 称:题目类型: ...
毕 业 设 计声 光 控 制 楼 道 照 明 灯 的 设 计 与声光控制楼道照明灯的设计与制作制 作摘 要 : “ 绿 色 照 明...
Protel 课程设计任务书题 目 :声光控制路灯电路的原理图设计初始条件:熟 练 使 用 Protel 99se( 或 Protel DXP) 印 制 板...
信息职业技术学院毕业设计说明书(论文)设计(论文)题目:声光控制照明节电开关设计 ___________________________________专 业: 应用电子...
毕业设计说明书(论文)设计(论文)题目:声光控制照明节电开关设计 ___________________________________专 业: 应用电子技术 目 录摘要...
航运职业技术学院机电系模块化课程项目讨论报告课程名称:项目名称:班 级:姓 名: 学号:同组成员:成 绩:老师签名:一、引言目前公...
墩滑模施工工艺及质量控制 摘要:在道路工程项目施工时,若遇道路跨越深沟宽谷,可采纳高墩桥梁方案进行有效解决。采纳此种方案,不仅能够...
壁纸、油漆工程质量控制要点5.9.2 壁纸铺贴5.9.2.1 基层处理:水泥基层墙面先清除灰渣鼓包,再刷两道底胶乳胶水。阴阳角垂直,大面平整,...
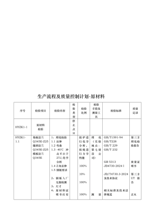
生产流程及质量控制计划-原材料序号检验项目检验内容检验类型检验比例检验手段及测量工具检验标准质量记录HYZK1-1原材料检验停止点HHYZK1-1...
地质勘查财务管理和财务控制分析 【摘要】随着我国经济市场化的不断提高,在种种条件的影响下,地质勘查单位也需要不断的进行各种层次创新...
医疗机构感染预防与控制基本制度(试行)感染预防与控制(以下简称感控)是医疗管理的重要内容.做好感控工作对保障医疗质量与医疗安全具有...
汽车有限公司文件编号NE0C-PG-QP-08版本号A/0文件名称产品标识与追溯控制程序页次第 1 页,共 7 页1.0 目的对接收、生产、检验、交付...
A01、一、单项选择题(每小题 2 分,共 20 分)1.计划评审技术是一种双代号()网络分析方法r确定型r非确定型r混联型r概率分布状态报告...
任务 3 安装和调试三相异步电动机连续与点动混合控制线路-教案课题:任务 1 安装和调试三相异步电动机连续与点动混;教学目的、要求:1...
概述编制目的编制依据工程概况安全目标安全管理目标环境保护及水土保持目标文明施工目标安全管理机构及职责管理机构安全职责• 施工安全管...
危险源辨识、风险评价及控制程序1.目的:对公司日常经营管理及服务工作现场及其他作业场所、相关人员的作业活动及所有设施进行危险源辨识、...
Xinjiang Institute of Engineering 毕 业 论 文论文题目 系(部) 学科专业 班 级 姓 名 学 号 指导老师 二〇一三年四月...
目 录摘要 .........................................................................................................................
江西制造职业技术学院信息工程系 08 级毕 业 论 文姓 名: 江 太 平 班 级: 08 通信电子 设计题目:基于 FPGA 的 PS/2 ...

