ANYANGINSTITUTEOFTECHNOLOGY本科毕业论文PLC控制立式单面前轴主销孔上下面组合机床设计Thedesignofsingle-sidedverticalcombinedmachineto...
可编程操纵器〔PLC〕的四层电梯监控零碎目次1绪论11.1电梯的开展汗青11.2电梯的开展近况与主流操纵方法剖析11.3本计划课题概述32可编程操纵...
可编程操纵器〔PLC〕的四层电梯监控零碎目次1绪论11.1电梯的开展汗青11.2电梯的开展近况与主流操纵方法剖析11.3本计划课题概述32可编程操纵...
第1页共50页编号:时间:2021年x月x日书山有路勤为径,学海无涯苦作舟页码:第1页共50页理工学院高级维修电工PLC部分培训材料(2014年2月)...
电气控制与PLC常用电磁式低压电器课件•电气控制基础•电磁式低压电器•电气控制与PLC的结合应用•实践操作与维护01电气控制基础电气控制系...
第1页共11页编号:时间:2021年x月x日书山有路勤为径,学海无涯苦作舟页码:第1页共11页罗克韦尔PLC培训之——DeviceNet组态玻璃的心建议删...
桥式起重机的PLC控制课件•桥式起重机的PLC控制系统•PLC控制程序设计•桥式起重机的安全保护装置•桥式起重机的维护与保养•案例分析与应...
信捷XC系列PLC常见问题以及对应的处理方法目录PC显示当前处于脱机状态,无法与PLC连接?...................................................
第1页共13页编号:时间:2021年x月x日书山有路勤为径,学海无涯苦作舟页码:第1页共13页西门子PLC、NC培训教材(二)第三部分:S7300PLC介...
双恒压无塔供水的PLC电气控制摘要以湖南机电职业技术学院的恒压供水系统为例,通过传统供水系统的控制方式与现代的相比较,根据现代社会的...
第1页共50页编号:时间:2021年x月x日书山有路勤为径,学海无涯苦作舟页码:第1页共50页PLC初级培训教材第一章电气系统及PLC简介一、设备电...
毕业设计(论文)报告搬运机械手PLC控制系统设计专业机电一体化班级0903学生姓名赵永红学号100091602指导教师唐亦敏2011年11月搬运机械手PL...
机电工程系毕业设计(论文)广告霓虹灯设计应用x院系:专业:年级:学号:指导老师:毕业设计任务书设计题目:PLC在广告霓虹灯控制中的应用完...
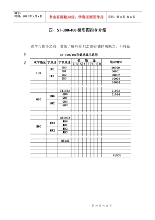
第19页共12页编号:时间:2021年x月x日书山有路勤为径,学海无涯苦作舟页码:第19页共12页四、S7-300/400梯形图指令介绍在学习指令之前,要...
第1页共10页步进控制器功率放大器步进电机负载编号:时间:2021年x月x日书山有路勤为径,学海无涯苦作舟页码:第1页共10页步进电动机的PLC...
目录第一章绪论.......................................................................................................................
内蒙古科技大学毕业设计说明书(毕业论文)基于组态王-PLC的轮胎硫化温度、压力控制系统设计摘要近年来,随着我国汽车工业的发展,与之处于...
第1页共10页编号:时间:2021年x月x日书山有路勤为径,学海无涯苦作舟页码:第1页共10页LK在地铁环境设备监控系统中的解决方案(北京和利时...
可编程控制器PLC应用于广播发射机自动控制【前言】1969年第一台可编程控制器产生后,经过30多年的发展,现在可编程控制器已经成为最重要、...
目录一、前言……………………………………………………2二、控制系统介绍及控制要求……………………………2三、I/O分配表及PLC型号选择…...

