山东石大胜华化工股份有限公司20 万吨/年生物燃料装置施工组织设计目录 第 1 页 下载后可任意编辑目 录1.0 编制说明和依据............
1下载后可任意编辑克拉玛依天华新能源电力有限公司新建 100MW 光伏并网发电项目(二期 30MW)工程变电站接地装置安装(SND-GB-A15-007)...
下载后可任意编辑建筑工程施工现场防雷装置的设置 1.编制依据 1). 施工现场临时用电安全技术法律规范(JGJ46-2024)-中国建筑工业出...
下载后可任意编辑锅炉煤焦代油改造项目系统配套主装置区域给排水迁建施施工工方方案案盐城市大成建筑工程有限公司二 O 一 O 年八月二十...
新疆美克化工有限责任公司二期年产 10 万吨 1,4 - 丁二醇项目甲醇、甲醛装置建筑安装工程设 备 安 装 工 程 施 工 方 案编...
http:/www.sansenpaint.net有机废气净化装置安全规定(GB20101-2006) 前言本标准的全部技术内容为强制性。《涂装作业安全规程》系列国家标...
21CN 217996260 U权 利 要 求 书1/1 页1 .一种自动贴胶机,其特征在于:包括机架,所述机架上设有切断装置,所述切断装置的两侧分...
避雷装置隐蔽验收记录 鲁DQ-024 工程名称 安泰德园6#-a 住宅、6#-b 商业 施工单位 日照市双林建筑工程有限公司 分项工程名称 防...
32#避雷装置隐蔽工程检查记录 报验申请表(A 4) 工程名称:华立凤凰城二期2 标段——32#楼 编号: 致:北京华远监理有限公司 (监...
东江电站二级放空洞修复工程斜坡道卷扬机装置吊装方案 批 准 : 审 核 : 编 写 : 广东省源天工程公司东江水电厂机电金结工程项...
六.送配电装置系统电气调试 1.电气安装工程概况 1.1 电气专业工程施工范围及内容: 本工程的电气专招标人要施工内容有:电力动力系统,...
.. .. .. 专业 w ord 可编辑 . 送 配 电 装 置 系 统 一、 施工工序及操作方法 1、 施 工 工 序 : 基 础 制 作...
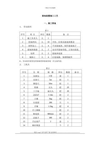
下载后可任意编辑接地装置施工工艺一、施工准备1、 劳动组织 表 1序号项 目单位数量备 注1施工负责人人12挖地网沟人10开挖、回填及接...
下载后可任意编辑接地装置施工方法、要求2024-3-5 16:38 | 系统分类 : 技术资料| 专业分类 : | 热度 :388 施工方法及要求1 准...
下载后可任意编辑一、工程内容及工程量本作业为广东大唐潮州三百门电厂一期工程(4*600MW 机组)#2 机组全厂接地装置安装工程。其中包括#...
试卷编码: 10JL78004245-60302011020001 第 1 页 共 8 页 职业技能鉴定国家题库 催化重整装置操作工(连续重整再生模块)技师理论...
下载后可任意编辑工程名称:青海盐湖金属镁一体化项目选煤装置设备安装工程HSE 管理方案施工单位审批:项目经理审核编 制 编制单位:中国...
下载后可任意编辑一、 编制依据:1、德钢厂安装工程施工承包合同2、鞍钢设计院提供的施工图纸3、《现场设备,工业管道焊接工程施工及验收法...
下载后可任意编辑目 录一、 编制依据.................................................................................................
下载后可任意编辑管道保温施工方案一、工程概况常减压装置管线保温工程,根据施工委托内容及要求具体保温管线规格、数量及作业现场情况如下...

