[键入公司名称] 建设项目(工程)竣工图管理办法 编制技术规范 JGT/01-2014 技术部 2014-10-30 竣工图是建设工程竣工档案的重要组成...
竣工图管理及编制要求 一、竣工图的管理 1. 竣工图是建设工程竣工档案的重要组成部分,是真实反映建设工程项目施工结果的图样,是工程决...
消防水系统 1 栋 首层给排水平面图 SJ-03 首层商业喷淋平面图 SJ-04 二层给排水平面图 SJ-05 三~二十九层奇数层给排水平面图 SJ-...
竣工图的编制 竣工图类型内容与要求 竣工图是建筑工程竣工档案的重要组成部分,是工程建设完成后主要凭证性材料,是建筑物真实的写照,是...
竣工图的编制要求 竣工图的编制要求 (一)编制竣工图的范围、内容 △竣工图编制范围:在《关于编制基本建设工程竣工图的几项暂行规定》...
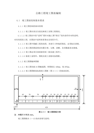
竣 工 图格式说明 相关标签: 竣工图 编辑 1、竣工图幅面尺寸一般为420(mm长)×297(mm宽),也可采用 594mm×420mm、594mm×...
竣工图绘制更改要求 竣工图是建筑工程竣工档案的重要组成部分,是工程建设完成后主要凭证性材料,是建筑物真实的写照,是工程竣工验收的必...
公路工程竣工图表编制 4.1 竣工图表绘制基本要求 4.1.1 竣工图绘制的基本原则 4.1.1.1 竣工图应真实全面反映竣工实物工程情况。 4.1...
. . ( 一 ) 编 制 竣 工 图 的 范 围 、 内 容 竣 工 图 编 制 范 围 : 在 《 关 于 编 制 基 本 建 ...
1 4.5.2 折叠方法 1 A3 图纸折叠见下图1(图中序号表示折叠次序,虚线表示折起的部分,以下同)。 2 A2 图纸折叠见下图2(图中字母...
1 《建设工程文件归档整理规范》(GB/T50328-2014) 1 竣工图章的基本内容应包括:“竣工图”字样、施工单位、编制人、审核人、技术负责...
竣工后监理要移交的资料 施工阶段监理资料目录 一、工程前期资料 1、建设工程委托监理合同 2、工程施工合同(分包工程项目施工合同) ...
竣工后服务承诺 第1 节 中标后承诺 一、对本工程的认识和重视 公司一旦中标,将选派优秀项目经理组建具有总承包管理,技术经验的人员...
竣工后服务承诺及与后续工程的配合和考虑 第一节 工程回访服务 第一小节 工程回访程序 1、在工程保修期内至少要文字性回访两次次,第...
竣工交接 质量保修承诺及保证措施 (一)竣工交接 一、工程的竣工与移交 1 .1 工程的竣工 工程项目按照要求和甲、乙双方签订的合同...
竣工初步验收报告 工程名称: 工程地址: 建设单位: 开工日期: 竣工日期: 初步验收日期: 工程名称 工程类型 工程地址 工程造...
原图纸编号或文号起止1施工组织设计(方案)报审表011A 411空调2施工组织设计(方案)审批表011A 4223 施工组织设计50A 43 52图 幅城 市...
- 1 - 第三分册 通风与空调 一 、 施 工 质 量 主 控 资 料 1、 材 料 、 配 件 、 设 备 出 厂 合 格 证 及...
家用中 央空调工程安装竣工报告书 ( 3MX、 4MX、家用VRV) 代理店公司名称 竣工No. : 《竣工结果》 良好 需要处理 建议 【 ...
单位(子单位)工程竣工验收文件和资料目录工程名称:建设单位施工单位:监理单位设计单位:勘察单位序号文件和资料名称份数备注第部分单位...

