电脑桌面
添加小米粒文库到电脑桌面
安装后可以在桌面快捷访问

竣工图折叠示意图

竣工图折叠示意图_第1页
1/9
竣工图折叠示意图_第2页
2/9
竣工图折叠示意图_第3页
3/9
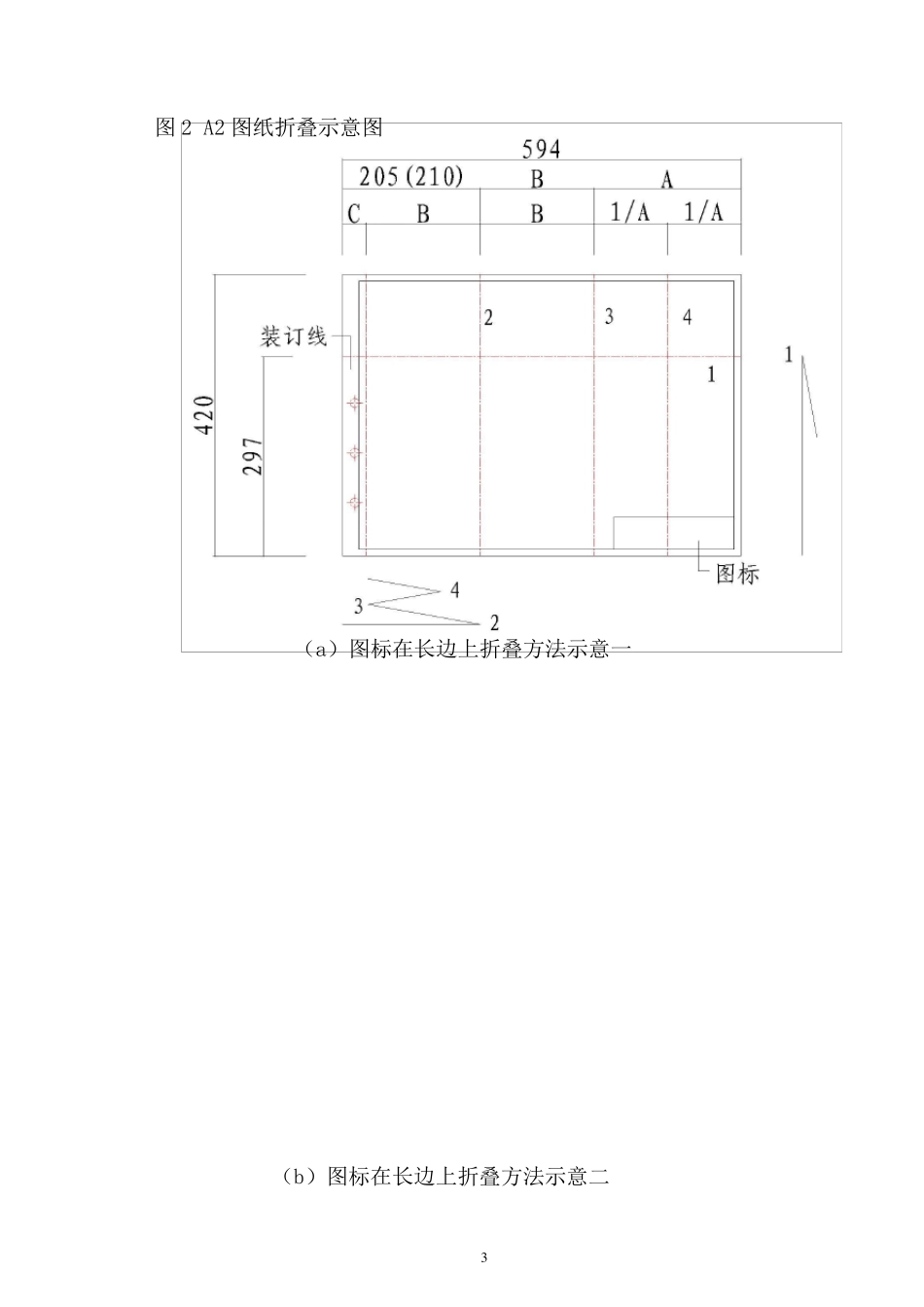
1 4.5.2 折叠方法 1 A3 图纸折叠见下图1(图中序号表示折叠次序,虚线表示折起的部分,以下同)。 2 A2 图纸折叠见下图2(图中字母代表实际折叠时的相应尺寸,A 为折叠后的剩余部分,1/A 是将剩余部分对折,B 为折叠的幅面宽度减去装订线宽度,C 为装订线的宽度,D 为折叠后剩余部分,不同图幅的图纸中字母所代表的尺寸不一定相同,以下同)。 3 A1 图纸折叠见下图3。 4 A0 图纸折叠见下图4。 2 图1 A3 图纸折叠示意图 (a) 图标在长边上 (b)图标在短边上 3 图2 A2 图纸折叠示意图 (a)图标在长边上折叠方法示意一 (b)图标在长边上折叠方法示意二 4 (c)图标在短边上折叠方法示意一 (d)图标在短边上折叠方法示意二 5 (e)图标在短边上折叠方法示意三 (f)图标在短边上折叠方法示意四 6 图3 A1 图纸折叠示意图 (a)图标在长边上折叠方法示意一 (b)图标在长边上折叠方法示意二 7 (c)图标在短边上折叠方法示意一 (d)图标在短边上折叠方法示意二 8 图4 A0 图纸折叠示意图 (a)图标在长边上折叠方法示意一 (b)图标在长边上折叠方法示意二 9 (c)图标在短边上折叠方法示意一 (d)图标在短边上折叠方法示意二

1、当您付费下载文档后,您只拥有了使用权限,并不意味着购买了版权,文档只能用于自身使用,不得用于其他商业用途(如 [转卖]进行直接盈利或[编辑后售卖]进行间接盈利)。
2、本站所有内容均由合作方或网友上传,本站不对文档的完整性、权威性及其观点立场正确性做任何保证或承诺!文档内容仅供研究参考,付费前请自行鉴别。
3、如文档内容存在违规,或者侵犯商业秘密、侵犯著作权等,请点击“违规举报”。

碎片内容

竣工图折叠示意图

您可能关注的文档

确认删除?
VIP
微信客服
  • 扫码咨询
会员Q群
  • 会员专属群点击这里加入QQ群
客服邮箱
回到顶部