排水管道施工方案 (2)管沟开挖深度按设计图管线标高的要求,塑料管深度应超出管底 200mm,其他管挖至管底标高;沟槽深度的控制:当挖土...
编制依据序号名称编号1室外排水设计法律规范[2025 年版]GB 514-262给水排水管道工程施工及验收法律规范GB 50268-283工程测量法律规范G...
《排水管道检测与评估报告》一、项目信息检测工程名称检测地点检测仪器委托单位第三方监督机构检测单位报告编写人检测负责人质检部经理项目...
1 总 则1.0.1 为了统一天津市排水管道检测的技术要求,法律规范检测工作的实施,保证其成果的质量,及时、准确地为城市排水规划、设计、...
排水管道施工工艺及方法1.施工工艺流程2.主要施工方法:1) 、测量放线:(1) 、组织测量队按设计院提供的测量控制点进行复测,复核无误后...
.有用文档.排水管道施工平安措施沟槽开挖1 挖时要根据沟槽开深度进行放坡已保证稳定性2 沟槽四周放防护设施基坑挖好后放梯子工人必须佩戴...
排水管道工程服务方案本工程管材① 3①〜1 雨、污水管均采纳 FRPP 管,管顶最大覆土厚度:DN3〜DN10,3.0m〜6.0m,采纳开槽排管,深度大...
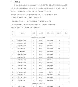
一、排水管道工程(一) 、设计概况本工程雨、污水为单侧设计,分别位于道路两侧机动车道,管道中心线距离道路中心线为 5 米。管道选材与...
排水管道工程施工方案(一)、设计概况本工程雨、污水为单侧设计,分别位于道路两侧机动车道,管道中心线距离道路中心线为 5 米。管道选...
排水管道工程施工技术措施排水管道工程施工技术措施1)沟槽开挖首先根据导线和高程控制点进行放线、测标高,并用 木桩在旁边作标记,由于...
排水管道安装方案1、工艺流程及施工方法L 污、废、中水干管安装-立管安装-支管安装 -灌水、通水、通球试验支架安装一>— 雨水干管安装-...
排水管道安装工程标准一、施工准备(一)作业条件UPVC 埋设管道,应开挖沟槽,沟槽要平直,必须有坡度,沟底夯实。地下铸铁排水管道得铺设...
排水管路运输、安装安全技术措施因工作面出水严重,影响正常生产,根据矿总体安排对 2301 回顺外段直暗风井 2 号风井下口连接 Φ325 ...
一、施工准备(一) 作业条件UPVC 埋设管道暗装管道(包括设备层、竖井、吊顶内得管道)首先应核对各种管道得标高、坐标得排列有无矛盾。预...
排水管道、管井工程施工方案及施工工艺方法1、沟槽开挖施工方法(1)、挖土开槽应严格控制基底高程,禁止超挖。基底设计标高以上的原状土要用...
目录排水管线顶管施工方案.............................................................................................................
排水(PVC-U)管道安装施工工艺及施工方法1、工艺流程安装准备 T 预制加工 T 干管安装 T 立管安装 T 支管安装 T 卡件固定 T 封堵...
技术(安全)交底记录编号:工程名称青岛市地铁一期工程(3 号线)机电系统安装施工 03 标段施工单位中铁电气化局分项工程名称排水管道...
排水管理处安全生产奖惩制度第一章总则第一条为了贯彻“安全第一,预防为主、综合治理、以人为本”的方针,进一步完善各项安全生产制度,确...
排水管道、顶管工程全套工序报验资料、检测资料及竣工验收资料一、明挖管段工程(1)沟槽开挖1、水准测量(复核)记录2、控制桩测量(复核...

