供应商质量体系审核检查表序号问题检查记录得分一、质量管理及职责1.1是否明确公司的质量管理机构和职责?A 组织机构明确,部门的职能得到...
北京同方微电子有限公司新供应商选择和评价管理程序密级:【内部】发行范围产品工程部生产采购部质量部编号日期编制审查批准Q/TMC-PU...
.10 年供应商质量管理总结从事供应商质量工作将近 10 年了,一路走来,真是感慨良多。大概是干一行怨一行的缘故,现在颇有些体会围城里...
供应商评分标准分值01234标准该项/程序没有包含在该供应商的质量体系,体系不适当,需要改进(关键不符合项)。该项/程序已包含在质量体系中,...
评 审 内 容企业规模20年月 供应商评价表评 价 内 容得分供应商:年月日企业的基本状况企业性质企业性质: □A、 国企、外资;□B...
德信诚培训网供应商评估程序(ISO9001/ISO14001-2015/QC080000-2017)1.0 目的1.1 对供应商进行评定和选择。1.2 选择能适应公司要求的供...
供 应 商 评 价 报 告供应商名称:供应商地址:审核结论:A 级( ≥90 分)B 级( ≥75 分)C 级( ≥60 分)D 级( <60 分)审...
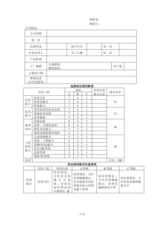
调查者:调查日:公司简况:公司名称地址注册资金企业负责人产品种类工厂规模主要客户群特别记录(合作意愿等)土地面积:建筑面积:创立年月...
供应商评价与再评价制度(第 A 版第 0 次修订)文件编号:受控编号:编制:审核:批准:有限公司2015 年 07 月 01 日发布2015 年...
实用标准文档供应商信息资料卡供应商信息资料卡名 称公司基本情况地 址营业执照号注册资本联系人部门、职务电话传真E-mail产品名规格价格...
供应商管理1、 供应商管理制度1.1 目的选择合格的供应商并对其进行持续跟踪,以确保其为公司提供合格的物料。1.2 适用范围本制度适用...
德信诚培训网供应商管理程序(ISO9001-2015/IATF16949-2016)1.0 目的选择合格供应商并对其进行持续监视,以确保提供合格的产品和服务。2....
精品文档,相信自己,有更好的未来等着供应商管理制度及流程一、目的.....................................................................
供应商管理工作要点一、工作指引主要内容供应商管理就是对供应商的了解、选择、开发、培育、使用和控制等综合性的管理工作的总称。目的是要...
受控状态:分发编号:使用部门:1 / 18供应商管理手册编制:审核:批准:日期:日期:日期:目录第一章序号……………………………………...
供应商管理制度1.总则1.1 制定目的为规范供应商管理,提高经营合理化水准,特制定本规章。1.2 适用范围凡本公司之供应商管理,除另有规定...
.供应商管理制度第一章总则第一条 为了规范公司供应商管理,降低采购成本,提高办事效率,促进廉洁自律,制定本制度。第二条 公司采购作...
供应商管理制度一、目的为了严格执行《阳煤丰喜集团物资采购管理制度》规范供应商管理,明确供应商评审程序,特制订本管理制度。二、使用范...
供应商管理制度一、目的规范集团公司设计类、行政类、营销类、物业类、咨询服务类、工程施工、设备采购类等各类采购业务的供应商的管理,通...
供应商现场考察评价标准基本信息中文名称企业名称英文名称单位简称(中文/英文)注册国别/省份工商注册地法定代表人业务联系人供应商简介与...

