智 能 旋 进 旋 涡 流 量 计使 用 说 明 书目录一、概述二、结构与工作原理三、主要技术参数与功能四、选性与安装五、使用方法...
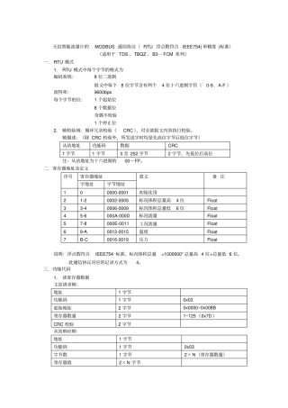
天信智能流量计的MODBUS 通信协议( RTU 浮点数符合IEEE754( 单精度 )标准)(适用于 TDS 、TBQZ 、B3-FCM 系列)一. RTU 模...
玻璃转子流量计安装使用说明YOUFU佑富自动世过程测量仪表替代进口产品的理想选择 www.shyoufu.cnYOUFU馆富自动怕过程测量仪表替代进口产品...
E H热式气体流量计 t-mass 65F
浅析商业用户燃气流量计的选择及使用2010-9-17 余爱平 白明明摘要:本文简要介绍了燃气流量计的主要性能,分析了流量计设计选型时需考虑...
双纽线流量计的计算公式【 计算公式 】GS = 1.0998* α*ε*d2*sqrt(1000* γ* Δp) 《柴油机试验测试与分析实用手册(一. 柴油机...
1/7常用流量计的选型与比较由于商业用户的种类庞杂,不同企业的燃气用量都大小不一,因此需要根据企业的不同的情况合理的选用燃气计量表,...
实验报告Experimentation Report of Taiyuan teachers College 系部:化学系年级:大四课程:化工实验姓名:学号:日期: 2012/09/1...
学号:湖南理工学院毕业论文题目:超声波流量计的设计刘阳届别:2011 级机械工程芋院专业:机械电子工程周红波职称:讲师15.5.10作者院别...
编码:FCC-MM-2017/方案-038一级二级三级江门站流量计改造(更换)施工技术方案编制审核批准中石化第四建设有限公司广东工程项目部二 O—...
浅析商业用户燃气流量计的选择及使用2010-9-17 余爱平 白明明摘要:本文简要介绍了燃气流量计的主要性能,分析了流量计设计选型时需考虑...
中国燃气控股有限公司企业标准 ZRSC-008-2009(V2.0)燃气流量计量仪表选型规程2009-10-10 布 2009-10-10 实施目 录 一、总 则........
流量计安装操作规程目的:流量计是用于贸易结算和成本核算计量器具,对的的安装方式直接影响气量读取的精确性。对于燃气公司而言,现在使用...
仪表施工检修方案(流量计)编制:审核:批准:2016年3月目录1.适用范围2.编制依据3.施工前应具备的条件4.施工程序5.施工组织结构6.质量要求...
1/11仪表施工(流量计)检修实施方案2/11————————————————————————————————作者:————————————...
电磁流量计说明书目录—、概述二、主要技术参数三、电磁流量计选型编码四、电磁流量计选型说明五、流量计接线六、流量计参数设置七、流量计...
艾默生质量流量计1700overview查看refreshalerts刷新报警checkstatus检查状态Devstatus设备状态commstatus通讯状态primarypurposevariables...
已知工艺管道的直径,管道内介质的密度,怎么算出差压变送器的压力.差压变送器是配合弯管流量计一起安装的.尽量说详细点,谢谢差压式流量计的...
电磁流量计安装与维护冀东水泥:许抒弟仪表维护人员要提高仪表故障判断能力,要对仪表原理、结构、性能特点更熟悉,但是化工生产中涉及到的...
电磁流量计的工作原理1.概述电磁流量计(以下简称EMF)是利用法拉第电磁感应定律制成的一种测量导电液体体积流量的仪表。50年代初EMF实现了...

