电脑桌面
添加小米粒文库到电脑桌面
安装后可以在桌面快捷访问

双纽线流量计的计算公式VIP免费

双纽线流量计的计算公式_第1页
1/6
双纽线流量计的计算公式_第2页
2/6
双纽线流量计的计算公式_第3页
3/6
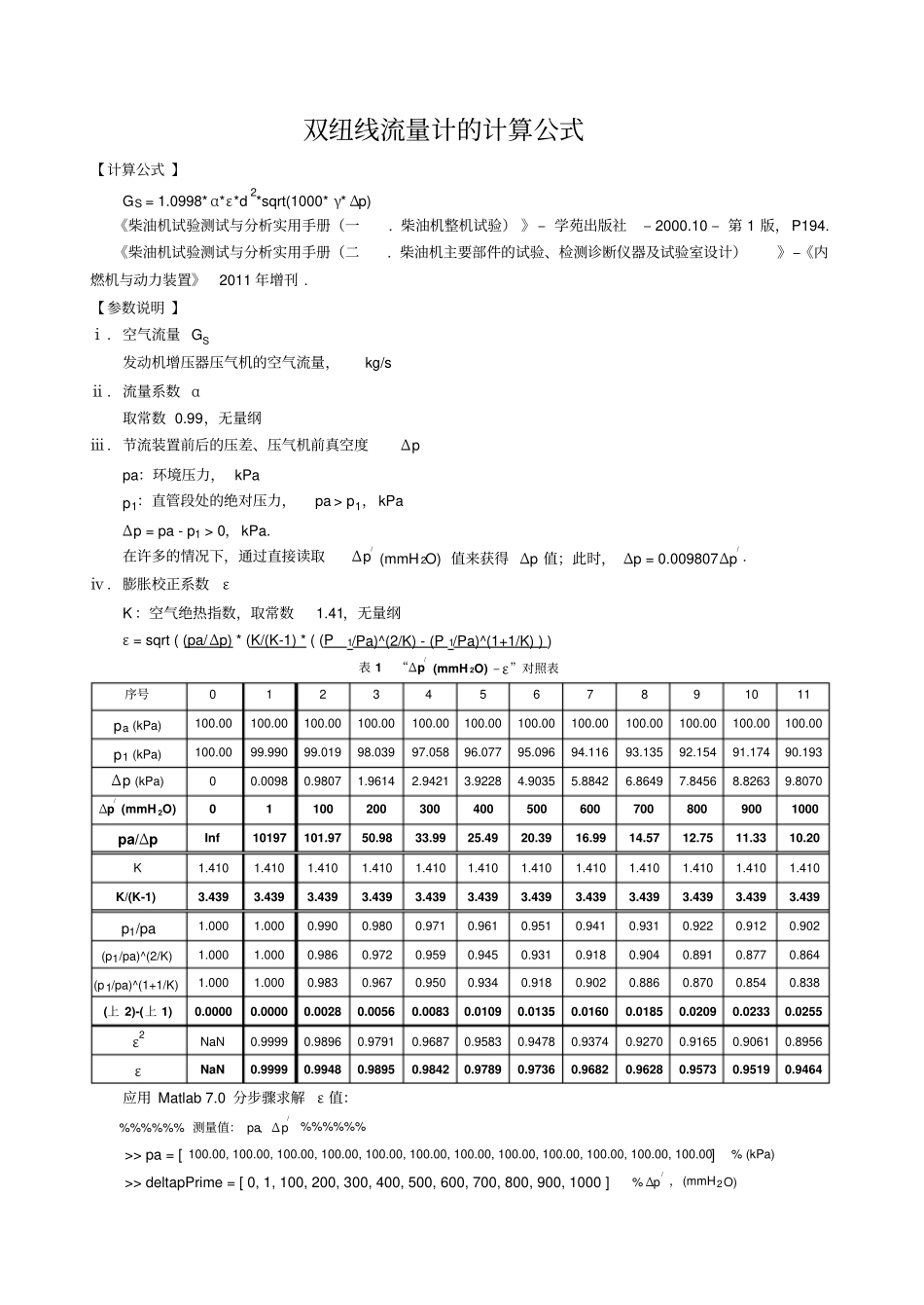
双纽线流量计的计算公式【 计算公式 】GS = 1.0998* α*ε*d2*sqrt(1000* γ* Δp) 《柴油机试验测试与分析实用手册(一. 柴油机整机试验) 》 – 学苑出版社– 2000.10 – 第 1 版, P194. 《柴油机试验测试与分析实用手册(二. 柴油机主要部件的试验、检测诊断仪器及试验室设计)》–《内燃机与动力装置》2011 年增刊 . 【 参数说明 】ⅰ . 空气流量 GS 发动机增压器压气机的空气流量,kg/s ⅱ . 流量系数 α取常数 0.99,无量纲ⅲ . 节流装置前后的压差、压气机前真空度Δppa:环境压力, kPa p1:直管段处的绝对压力,pa > p1, kPa Δp = pa - p1 > 0, kPa. 在许多的情况下,通过直接读取Δp/ (mmH 2O) 值来获得 Δp 值;此时, Δp = 0.009807Δp/ . ⅳ . 膨胀校正系数εK :空气绝热指数,取常数1.41,无量纲ε = sqrt ( (pa/Δp) * (K/(K-1) * ( (P1/Pa)^(2/K) - (P 1/Pa)^(1+1/K) ) )表 1 “Δp/ (mmH 2O) –ε”对照表序号0 1 2 3 4 5 6 7 8 9 10 11 pa (kPa)100.00 100.00 100.00 100.00 100.00 100.00 100.00 100.00 100.00 100.00 100.00 100.00 p1 (kPa)100.0099.99099.01998.03997.05896.07795.09694.11693.13592.15491.17490.193Δp (kPa)00.00980.98071.96142.94213.92284.90355.88426.86497.84568.82639.8070Δp/ (mmH 2O) 0 1 100 200 300 400 500 600 700 800 900 1000 pa/Δp Inf10197101.9750.9833.9925.4920.3916.9914.5712.7511.3310.20K 1.410 1.4101.4101.4101.4101.4101.4101.4101.4101.4101.4101.410K/(K-1) 3.4393.4393.4393.4393.4393.4393.4393.4393.4393.4393.4393.439p1/pa1.000 1.000 0.990 0.980 0.971 0.961 0.951 0.941 0.931 0.922 0.912 0.902 (p1/pa)^(2/K) 1.000 1.000 0.986 0.972 0.959 0.945 0.931 0.918 0.904 0.891 0.877 0.864 (p1/pa)^(1+1/K)1.000 1.000 0.983 0.967 0.950 0.934 0.918 0.902 0.886 0.870 0.854 0.838 (上 2)-(上 1) 0.0000 0.0000 0.0028 0.0056 0.0083 0.0109 0.0135 0.0160 0.0185 0.0209 0.0233 0.0255 ε2NaN 0.9999 0.9896 0.9791 0.9687 0.9583 0.9478 0.9374 0.9270 0.9165 0.9061 0.8956εNaN0.99990.99480.98950.98420.97890.97360.96820.96280.95730.95190.946...

1、当您付费下载文档后,您只拥有了使用权限,并不意味着购买了版权,文档只能用于自身使用,不得用于其他商业用途(如 [转卖]进行直接盈利或[编辑后售卖]进行间接盈利)。
2、本站所有内容均由合作方或网友上传,本站不对文档的完整性、权威性及其观点立场正确性做任何保证或承诺!文档内容仅供研究参考,付费前请自行鉴别。
3、如文档内容存在违规,或者侵犯商业秘密、侵犯著作权等,请点击“违规举报”。

碎片内容

双纽线流量计的计算公式

您可能关注的文档

爱的疯狂+ 关注
实名认证
内容提供者

该用户很懒,什么也没介绍

相关文档

确认删除?
VIP
微信客服
  • 扫码咨询
会员Q群
  • 会员专属群点击这里加入QQ群
客服邮箱
回到顶部