下载后可任意编辑水泥石灰土底基层施工方案1.1 施工准备1、8%石灰土路基顶层验收合格,经监理同意方可进行水泥石灰土底基层施工。2、各种...
下载后可任意编辑亳阜高速公路路基工程建设项目(刘小集互通立交)路床灰土施工方案亳阜高速公路第十二合同段中铁四局一公司项目经理部二 ...
下载后可任意编辑路基填筑施工技术交底( I )技术交底工程名称路基工程交底日期2024.4.25施工单位山东泰东公路工程有限公司分项工程名称...
下载后可任意编辑1、材料要求土、灰除满足法律规范要求外,施工中控制点为:(1)、石灰应符合Ⅲ级以上标准,石灰在使用前 10 天充分消解...
下载后可任意编辑 精品文档下载 最新资料,word 文档,可以自由编辑!!下载后可任意编辑【本页是封面,下载后可以删除!】石灰土基层1....
下载后可任意编辑中汽中心盐城汽车试验场项目高速环道路基及进场桥工程CPG-1 标项目经理部石灰土路基施工质量控制方案中 国 交 通 建...
精品文档下载 最新资料,word 文档,可以自由编辑!!下载后可任意编辑【本页是封面,下载后可以删除!】和平医院 1#门诊住院楼 DDC 桩...
下载后可任意编辑华杨路(优比路-迎宾路)改造工程编制: 审核: 审批: 昆山裕腾市政工程有限公司2024 年 3 月一、工程概况华杨路(...
下载后可任意编辑本页为作品封面,下载后可以自由编辑删除,欢迎下载!!! 精 品文档1【精品 word 文档、可以自由编辑!】灰土挤密桩...
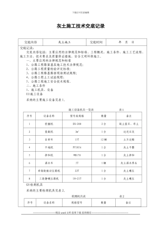
下载后可任意编辑灰土施工技术交底记录交底内容灰土施工交底时间年 月 日交底记录:交底内容包括:主要应用的法律规范和标准、工程概况、...
下载后可任意编辑西咸新区空港新城阳光里棚户区改造项目Ⅱ标段灰土垫层工程施工方案第一章 工程概况1.建设地点本项目位于西咸新区空港新...
西四路灰土施工工艺及质量检测的探讨摘 要:石灰土底基层是道路工程的重要结构物之一,具有较高的抗压强度和抗弯强度,而且强度与模量随龄...
下载后可任意编辑本页为作品封面,下载后可以自由编辑删除,欢迎下载!!! 精 品文档1【精品 word 文档、可以自由编辑!】灰土挤密桩...
精品文档下载 最新资料,word 文档,可以自由编辑!!下载后可任意编辑【本页是封面,下载后可以删除!】 灰土挤密桩专项方案报审表表号...
灰土挤密桩施工作业指导书编制: 审核: 审批: 陕西建工第二建设集团有限公司西安汇智厂房及配套用房工程2024 年 3 月 4 日 CFG...
下载后可任意编辑华清骊苑 301#住宅楼混凝土施工方案编 制 人:审 核 人:审 批 人: 中冶十六局陕分司第八工程处灰土地基施工方案...
下载后可任意编辑灰土回填方案编 制: 年 月 日 审 核: 年 月 日 批 准: 年 月 日下载后可任意编辑一、 编制依据1)、由...
下载后可任意编辑浅议石灰土基层施工过程中的质量控制 江苏中达建设工程有限公司 范东明 2024 年 10 月石灰土具有造价低廉且具有较高...
石灰土底基层技术交底 一、 工程概况 太行大街城市快速路系统工程第三标段道路工程 K16+440- K21+780,全长 5340 米,底基层20cm ...
鲈乡路(柳胥路~联中路)路桥新建工程 道路灰土路基施工方案 吴江市明港道桥工程有限公司 鲈乡路(柳胥路~联中路)路桥新建工程项目经...

