湘潭万达广场项目售楼部大堂高支模架安全专项施工方案(方案编号:CSCEC2B-XTWD-007)编制:审核:批准:中国建筑第二工程局有限公司湘潭万...
隰 县 新 医 院 建 设 项 目住院楼模架施工方案 文 件 编 号 : SXBJ/XX-YY-2025-020审 批 :审 核 :编 制 :山 西...
目 录一、工程概况................................................- 2 -二、施工部署................................................
第一章 工程概况工程名称: 建设单位: 设计单位: 监理单位: 施工单位: 工程地点: 建设规模:本工程主要包括加工中心(一)、中...
安 全 应 急 预 案 报 审 表 ZJD工程名称:都江堰市民丰路(2.5 环) 市政道路工程 编 号 :致 : 四 川 精 正 建 设 ...
都 江 堰 市 民 丰 路 (2.5 环 ) 市 政 道 路工 程防 脚 手 架 、 支 模 架 倒( 垮 ) 塌 事 故 应 急 预...
防脚手架、支模架倒(垮)塌事故应急工作领导小组组长:邓明长副组长:马青山 卓全中 组员:邓祥国 祝青松 金石明 朱璐 冉小东 刘奎...
目 录第一节、编制依据……………………………………………………1第二节、工程概况……………………………………………………1第三节、...
目 录一、编写依据....................................................................................................2二、工程概...
浅谈移动模架施工技术浅谈移动模架施工技术 摘要:采纳上承式移动模架造桥机能自行完成支腿过孔移位,无须地面其它辅助吊机设备,操作简单...
都江堰市民丰路(2.5 环)市政道路工程防脚手架、支模架倒(垮)塌事故应急预案一、 工程概述都江堰市民丰路(2.5环)市政道路工程是都江...
施工技术交底工程名称丁桥 R21-27 地块经济适用房工程分部工程公建模板工程分项工程名称承重支模架搭设工种木工交底内容:1.材料准备:钢...
客运专线移动模架施工工序考核办法客运专线移动模架施工工序考核办法 摘要:结合京沪高铁张巷特大桥移动模架制梁的施工实践,详细介绍了移...
附录 9 冲压模具标准模架表 9-1 滑动导向对角导柱模架规格表 9-2 滑动导向后侧导柱模架规格表 9-3 滑动导向中间导柱圆形模架规格表...
杭州市余杭高级中学改扩建工程高大支模架监理实施细则 编制人: 审批人: 浙江耀华工程咨询代理有限公司2025 年 9 月高大支模架监理...
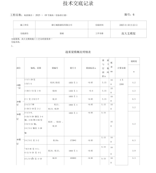
技术交底记录交底提要:高大支模架施工工艺及质量要求—交底内容:1、超重梁模概况明细表部位轴线、范围梁编号梁尺寸梁面标高 m梁面 与下...
衢山镇万南万北新村棚户区改造工程 ( 西侧地块 ) 钢管支模架专项施工方案一、工程概况工程名称:衢山镇万南万北新村棚户区改造工程(西...
中粮米业(虎林)30 万吨稻谷加工项目高 支 模 架施 工 方 案编制:国合建设集团有限公司虎林项目部编制日期:2025 年 3 月 21...
模架施工安全交底交底内容:1.碗扣式钢管脚手架搭设的安全技术要求(1)脚手架搭设前,要先编制脚手架施工组织设计。明确使用荷载,确定脚手...
湖南麓谷置业有限公司金导园五期 C 区 7#-1 0#栋工业用房建设工程支模架搭设、拆除旁站监理方案 编制: 审核: 长沙政与工程项目管...

