储能电站(系统) 技 术 方 案 2010 年 11 月 目录 1.概述 .......................................................... 3 2...
下载后可任意编辑小升初英语知识点大汇总 (一)小升初英语语法 一、 名词复数规则 1.一般情况下, 直接加-s, 如: book-books, bag-ba...
下载后可任意编辑单相桥式逆变电路课程设计12024 年 4 月 19 日下载后可任意编辑 电力电子技术课程设计说明书 单相桥式逆变电路的设...
ZX7 逆 变 直 流 手 工 电 焊 机 一 、 电 焊 机 的 分 类 电 焊 机 是 利 用 正 负 两 极 在 瞬 间 短 ...
WSM 逆变式直流脉冲氩弧焊机使用说明书 一.钨极氩弧焊(氩弧焊工艺基础知识) 以下内容是钨极氩弧焊的基础知识,建议用户认真阅读,对正确...
下载后可任意编辑单相桥式逆变电路的仿真实验报告 鲁东大学信息与电气工程学院 电力电子技术实验报告 实验名称: 单相桥式逆变电路的仿...
泗县深能马鞍山一期 20 兆瓦地面光伏电站项目泗 县 深 能 马 鞍 山 一 期 20 兆 瓦地 面 光 伏电 站 项 目 箱逆变器吊...
逆变电阻点焊设备调研报告 焊接原理: 电阻焊(resistance welding)是将被焊工件压紧于两电极之间,并施以电流,利用电流流经工件接触面...
115 第5 章 逆变电路 主要内容:换流方式,电压型逆变电路,电流型逆变电路,多重逆变电路和多电平逆变电路。 重点:换流方式,电压型...
逆变电路工作原理 主要内容:换流方式,电压型逆变电路,电流型逆变电路,多重逆变电路和多电平逆变电路。 重点:换流方式,电压型逆变电...
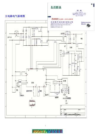
逆变电焊机原理图的讲解
主电路电气原理图 主控制板电器原理图: 逆变触发电路图: 脉冲及时序板原理图: IGBT 逆变电焊机工作原理及输出特性 本机采用三相交...
凯尔达s-400 逆变手工焊机 故障现象:送电跳闸 检查维修:送电跳闸一般是短路造成的,开盖检查三项整流桥击穿,IGBT 两组击穿(本机采...
本文由scjd50 贡献 pdf 文档可能在WAP 端浏览体验不佳。建议您优先选择TXT,或下载源文件到本机查看。 第一章 逆变焊机的电路设计基...
新科移动 D V D 机液晶屏高压逆变电路故障检修 类别:电子综合 阅读:2777 随着以液晶显示为主导的便携式产品越来越受消费者青睐,...
逆变电焊机安全操作规程1.工作前1.1 参加焊接的工作人员,应经专业技术教育,考试合格,获得合格证,并经熟悉触电急救法和人工呼吸法。1...
下载后可任意编辑全桥逆变后电压 电力电子技术课程设计单相电压型全桥逆变电路及其simulink 仿真开题报告课题名称:单相电压型全桥逆变电...
UPS 中的逆变电路㈣ 6.1 功放电路 ⒈ D 类功率放大器电路的特点 UPS 作为一种电源设备,其效率是十分重要的。UPS 的效率取决于功...
辽宁工程技术大学课程设计 1 前言 随着控制技术的发展和对设备性能要求的不断提高,许多行业的用电设备不再直接接入交流电网,而是通过...
泗县深能马鞍山一期 20 兆瓦地面光伏电站项目 泗县深能马鞍山一期 20 兆瓦地面光伏 电站项目 箱逆变器吊装专项施工方案 中国能源建...

