电脑桌面
添加小米粒文库到电脑桌面
安装后可以在桌面快捷访问

UPS中的逆变电路4VIP免费

UPS中的逆变电路4_第1页
1/10
UPS中的逆变电路4_第2页
2/10
UPS中的逆变电路4_第3页
3/10
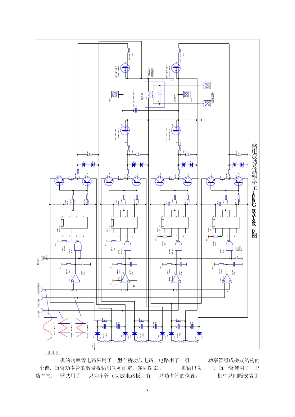
UPS 中的逆变电路㈣ 6.1 功放电路 ⒈ D 类功率放大器电路的特点 UPS 作为一种电源设备,其效率是十分重要的。UPS 的效率取决于功率放大器,对同一机器来说,效率的提高就意味着输出功率的增大,而在一定的输出功率下,效率的提高就意味着能耗的减小。这对于节省能源、减小设备体积和重量以及降低用户的运行成本都有很大的实际意义。因此,提高功率放大器的效率一直是 UPS 开发人员关注的重要课题,它推动了功率放大器技术的不断发展。 通常,根据工作点的位置,将功放电路分为甲类(A 类)、乙类(B 类)和甲乙类(AB 类)三大类。其中: 甲类工作点位于负载线的中点,理论效率为 50%。 乙类工作点位于截止点,理论效率为 78.5%。 甲乙类工作点略高于截止点,理论效率略低于乙类。 对于甲类、乙类和甲乙类放大器而言,由于功率管工作在特性曲线的放大区,集电极电流与集电极电压都比较大,因而功率管的集电极耗散功率也比较大,放大器的效率就难以继续提高。 提高效率的有效途径是使功率管工作于开关状态。即当功率管饱和导通时,集电极电流很大而集电极电压很小,趋于 0;当功率管截止时,集电极电压很高而集电极电流很小,趋于 0。因为耗散功率为集电极电压和集电极电流的乘积,所以功率管的集电极耗散功率就很小,甚至趋于 0。由于这种放大器中的功率管是以开关方式工作,所以又称为开关模式功率放大器,分类为 D 类(丁类)放大器。 逆变器中的功率放大器就是采用的 D 类放大器,它的理想效率为 100%,实际效率可做到90%以上。 因为 D 类放大器中的功率管工作于开关状态,所以集电极电压和集电极电流是一连串的矩形波,它包含丰富的谐波成分,因此需在输出端加接滤波网络,滤除不需要的谐波分量,这样才可以在负载上得到所需的基波电压和基波电流,完成功率放大的任务。 D 类放大器虽然效率得到了提高,但带来了新的问题。由于 D 类放大器效率得到提高的根本原因是功率管工作于开关状态。因此,放大器的输出电压与激励信号之间没有线性关系。这样,D 类放大器就不能放大幅度变化的模拟信号,而只能放大等幅不等宽的方信号。对于逆变器而言,我们需要放大的是正弦信号,因此必须事先将正弦信号加工成等幅调宽信号后,才能送入D 类放大器进行放大。这就是为什么不直接将正弦信号放大,而要将其转换为 SPWM 信号的原因。 在放大器的输出端,由于在放大过程中输出电流在等效负载上的电流不断反向,偶次...

1、当您付费下载文档后,您只拥有了使用权限,并不意味着购买了版权,文档只能用于自身使用,不得用于其他商业用途(如 [转卖]进行直接盈利或[编辑后售卖]进行间接盈利)。
2、本站所有内容均由合作方或网友上传,本站不对文档的完整性、权威性及其观点立场正确性做任何保证或承诺!文档内容仅供研究参考,付费前请自行鉴别。
3、如文档内容存在违规,或者侵犯商业秘密、侵犯著作权等,请点击“违规举报”。

碎片内容

UPS中的逆变电路4

小辰7+ 关注
实名认证
内容提供者

出售各种资料和文档

确认删除?
VIP
微信客服
  • 扫码咨询
会员Q群
  • 会员专属群点击这里加入QQ群
客服邮箱
回到顶部