电脑桌面
添加小米粒文库到电脑桌面
安装后可以在桌面快捷访问

逆变电焊机原理及图纸VIP免费

逆变电焊机原理及图纸_第1页
1/12
逆变电焊机原理及图纸_第2页
2/12
逆变电焊机原理及图纸_第3页
3/12
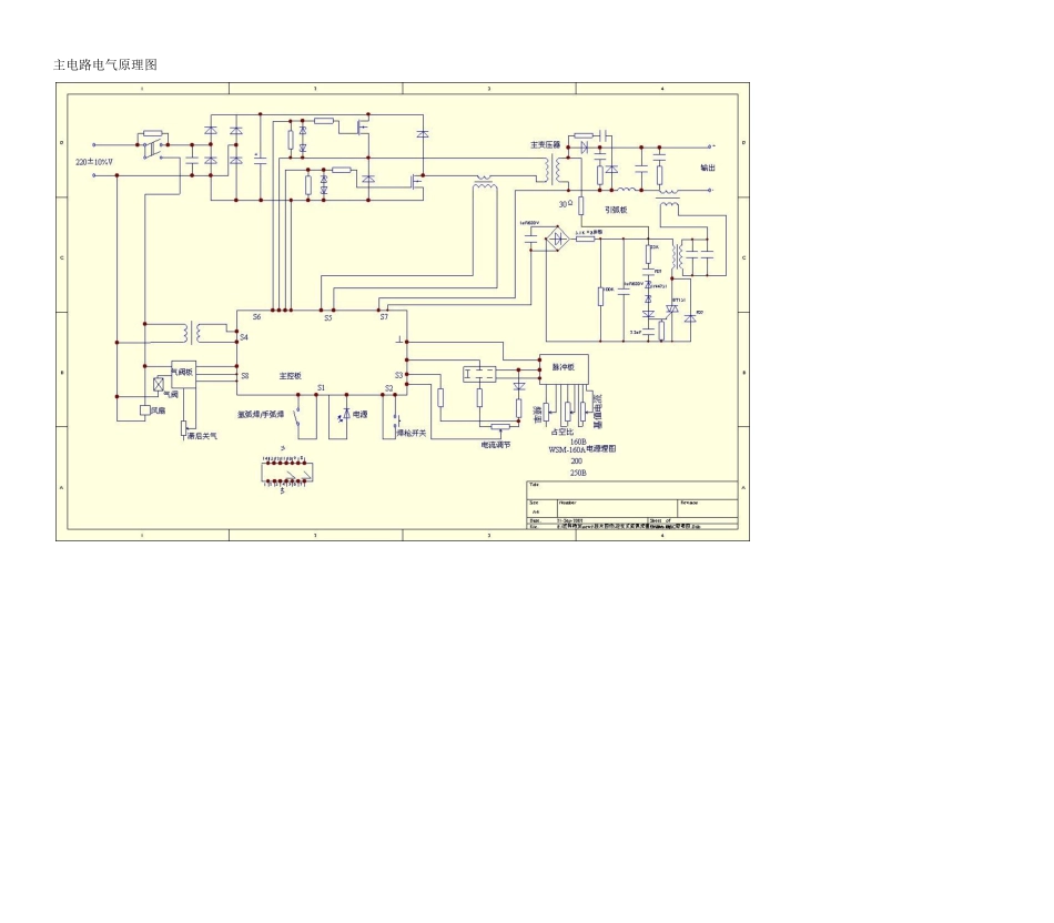
主电路电气原理图 主控制板电器原理图: 逆变触发电路图: 脉冲及时序板原理图: IGBT 逆变电焊机工作原理及输出特性 本机采用三相交流380V 电压经三相桥式整流、滤波后供给以新型 IGBT 为功率开关器件的逆变器进行变频(20KC)处理后,由中频变压器降压,再经整流输出可供焊接所需的电源,通过集成电路构成的逻辑控制电路对电压、电流信号的反馈进行处理,实现整机闭环控制,采用脉宽调制 PW M 为核心的控制技术,从而获得快速脉宽调制的恒流特性和优异的焊接工艺效果。 DC/AC 逆变器的制作 这里介绍的逆变器(见图)主要由 MOS 场效应管,普通电源变压器构成。其输出功率取决于 MOS 场效应管和电源变压器的功率,免除了烦琐的变压器绕制,适合电子爱好者业余制作中采用。下面介绍该逆变器的工作原理及制作过程。--拓普电子 1.电路图 2.工作原理 这里我们将详细介绍这个逆变器的工作原理。 方波信号发生器(见图3) 图3 这里采用六反相器CD4069 构成方波信号发生器。电路中R1 是补偿电阻,用于改善由于电源电压的变化而引起的振荡频率不稳。电路的振荡是通过电容C1 充放电完成的。其振荡频率为f=1/2.2RC。图示电路的最大频率为:fmax=1/2.2×3.3×103×2.2×10-6=62.6Hz;最小频率fmin=1/2.2×4.3×103×2.2×10-6=48.0Hz。由于元件的误差,实际值会略有差异。其它多余的反相器,输入端接地避免影响其它电路。 场效应管驱动电路。 图4 由于方波信号发生器输出的振荡信号电压最大振幅为0~5V,为充分驱动电源开关电路,这里用TR1、TR2 将振荡信号电压放大至 0~12V。如图4 所示。 MOS 场效应管电源开关电路。 这是该装置的核心,在介绍该部分工作原理之前,先简单解释一下 MOS 场效应管的工作原理。 图5 MOS 场效应管也被称为MOS FET, 既Metal Oxide Semiconductor Field Effect Transistor(金属氧化物半导体场效应管)的缩写。它一般有耗尽型和增强型两种。本文使用的为增强型MOS 场效应管,其内部结构见图5。它可分为NPN 型PNP 型。NPN 型通常称为N 沟道型,PNP 型也叫P 沟道型。由图可看出,对于N 沟道的场效应管其源极和漏极接在N 型半导体上,同样对于P 沟道的场效应管其源极和漏极则接在P 型半导体上。我们知道一般三极管是由输入的电流控制输出的电流。但对于场效应管,其输出电流是由输入的电压(或称电场)控制,可以认为输入电流极小或没有输入电流,这使得该器件有很高的输...

1、当您付费下载文档后,您只拥有了使用权限,并不意味着购买了版权,文档只能用于自身使用,不得用于其他商业用途(如 [转卖]进行直接盈利或[编辑后售卖]进行间接盈利)。
2、本站所有内容均由合作方或网友上传,本站不对文档的完整性、权威性及其观点立场正确性做任何保证或承诺!文档内容仅供研究参考,付费前请自行鉴别。
3、如文档内容存在违规,或者侵犯商业秘密、侵犯著作权等,请点击“违规举报”。

碎片内容

逆变电焊机原理及图纸

您可能关注的文档

确认删除?
VIP
微信客服
  • 扫码咨询
会员Q群
  • 会员专属群点击这里加入QQ群
客服邮箱
回到顶部