(红色字体请根据项目情况修改)连续箱梁现浇支架水袋预压专项方案编制:武汉速安复核:审批:铁一局集团有限公司南昌市九洲大道高架快速路工...
陕西公路建立通用表格陕蒙高速公路监理抽检现浇梁支架预压检查表桥涵表52★合同段工程名称桩或范围检查日构造形式根底承载力材料质量木材钢...
第28卷第9期岩土力学Vol.28No.92007年9月RockandSoilMechanicsSep.2007收稿日期:2005-09-27修改稿收到日期:2006-04-18基金项目:广东省交...
真空预压加固软土地基沉降的简化计算方法艾英钵!"施建勇!"刘加才#$!%河海大学岩土工程研究所"江苏南京#!&&’()#%南京工业大学土木工程学院"...
第27卷第5期岩土力学Vol.27No.52006年5月RockandSoilMechanicsMay2006收稿日期:2004-09-02修改稿收到日期:2004-11-15基金项目:国家自然...
目录一、编制依据......................................................................1二、工程概况..................................
QB/ZJWS5243—2003砂井堆载预压地基施工工艺标准1范围本工艺标准适用于工业与民用建筑、机场跑道、油罐、冷藏库、水池、水工结构、道路、堤...
学府路1#~2#支架预压方案学府路1#~2#支架预压方案为了确保支架安全,消除非弹性变形和沉降,测定支架弹性变形量,按施工工艺要求和设计图纸...
现浇箱梁支架预压施工方案1工程概况苏州市轨道交通2线总体呈南北走向,线路起于相城区京沪高速铁路苏州北站,经平江新城、石路商业区、沧浪...
砂垫层在真空预压软土地基处理中的作用顾勇1,蔡建1,2,朱治1(1.中交上海航道勘察设计研究院有限公司,上海200120;2.上海航源港口工程质...
真空预压(无砂垫层)排水固结法编制:审核:批准:连云港鑫途岩土工程有限公司二○一一年四月二十五日目录1施工方案初步设计第一章编制依...
(此文档为Word格式,下载后可以任意编辑修改!)文件备案编号:)编制日期:年月日现浇箱梁支架预压方案桥梁上部结构设计为预应力混凝土单...
真空堆载联合预压法1.设计方法真空预压法包括排水系统、抽真空系统和密封系统三方面的施工工艺。在需要加固的软弱地基表面铺好砂垫层,打设...
DOI:10.14048/j.issn.1671-2579.2015.05.066基于HP-GPC的温拌改性沥青老化特性研究刘晓薇...
11.编制依据(1)本工程的施工合同文件、施工图纸、工程量清单及岩土工程勘察报告。(2)本工程规模、工程量以及现场实际情况。(3)本工程的施工...
26m现浇预应力箱梁满堂支架预压计算书一、相关参数选择1、新浇钢筋混凝土容重:26KN/m3;2、倾倒混凝土时产生的冲击荷载:使用大于0.8m3的...
交底内容:某某大桥预压固桩施工技术交底一、工程概况大桥预加固桩采用人工挖孔共2根计32延米。1#、2#桩长各16米桩截面尺寸都为2.5米*2.0米...
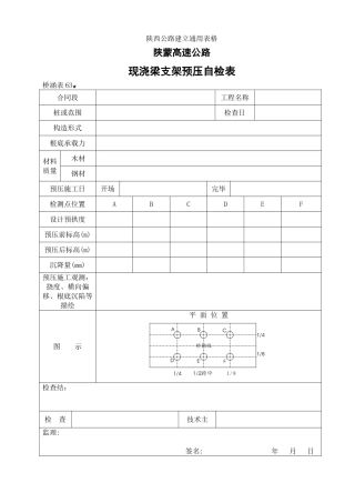
陕西公路建立通用表格陕蒙高速公路现浇梁支架预压自检表桥涵表63★合同段工程名称桩或范围检查日构造形式根底承载力材料质量木材钢材预压施...
省道焦作至沁阳段改建工程合同段沁河大桥*-H-满堂支架预压方案河南鹏程路桥建设有限公司满堂支架预压方案一、工程概况省道焦作至沁阳段改建...
1技术交底书支架预压施工技术交底21、适用范围本技术交底适用于陇海线上行地质灾害隐患地段改线工程白家庄特大桥现浇简支梁施工,白家庄特...

