Buck+DCDC变换器的输出纹波电压分析及其应用
BOOST 变换器设计 1 1 总体设计思路 1.1 设计目的 升压斩波电路是最基本的斩波电路之一,利用升压斩波电路可以实现对直流的升压变化...
3并网变换器及其控制new
燃料电池车载大功率DCDC变换器的设计与应用 时间:2009-07-30 2745次阅读 【网友评论0条 我要评论】 收藏 1,前言 DC/DC变换器是燃...
有源箝位反激变换器的研
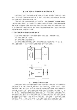
第六章 开关变换器的时间平均等效电路 开 关 变 换 器 的 状 态 空 间 平 均 建 模 和 分 析 方 法 存 在 计 算 ...
编号 学士学位论文小功率 AC-DC 变换器设计与实现 学生姓名: XXX 学 号: 020 XXXX 系 部: 物理系 专 业: 电子信息科学与技...
下载后可任意编辑变换器生产线项目可行性讨论报告12024 年 5 月 29 日年产 100 万个 DC-DC 变换器生产线项目可 行 性 讨 论 ...
Datasheet 5A 180KHz 36V Buck DC to DC Converter XL4015 Rev 1.3 1 Featu res n Wide 8V to 36V Input Voltage Ra...
正激变换器及其控制电路的设计及仿真设计要求 :1、 输入电压: 100V (± 20%);2、 输出电压: 12V ;3、 输出电流: 1A ;...
LLC谐振变换器的高频变压器设计
LLC 谐振型DC/DC 变换器的分析与最佳设计 时间:2009-10-15 583次阅读 【网友评论1 条 我要评论】 LLC 谐振型DC/DC 变换器有许多...
LLC 谐振变换器与 不对称半桥变换器的对比 1 不对称半桥变换器 图中互补控制的功率MOSFET(S1 和S2),其中S1 的占空比为D,S2 的...
LLC_谐振变换器中_MOSFET失效模式的分析
桥式可逆 PWM变换器 Matlab 仿真作业:桥式可逆PWM变换器的主电路由四个IGBT 组成一个 H 桥,并且每一个 IGBT 上均反并联有电力二...
多路输出正激式变换器耦合滤波电感的设计 本文分析对比正激变换器多路输出滤波电感采用独立方式和耦合方式的不同特点,讨论了耦合电感的设...
二极管钳位型三电平变换器开关损耗分析
1 铂热电阻优点和局限性 铂电阻温度计的优点包括: 精度高 低漂移 宽工作电压范围 适合精密应用。 局限性:热电阻...
SD6303PFM升压DCDC变换器
为大家介绍一个开关电源仿真的实例。由于开关电源具有很强的非线性,并且经常是双环乃至多环反馈,因此无论用哪种仿真工具,对其进行仿真分...

