下载后可任意编辑铸铁管道试水打压方案12024 年 4 月 19 日下载后可任意编辑XXXX 工程 排水管道水压试验(铸铁管)方案 编制: 审核...
下载后可任意编辑1工程概况开封东大清洁生产项目、 污水处理池, 由中国天辰工程有限公司设计。蓄水池设计为 31.6×8m( 长×宽) , 满...
天成美雅一期人防地下室工程 试 水 报 告 湖北中进建设工程有限公司 2 0 1 3 年 1 月 2 5 日 2 天成美雅一期人防地下室工...
厌氧塔试水方案厌氧塔在施工结束后要进行充水检验是否有渗漏点及基础沉降观测,以保证投入运行时能够达到设计施工标准。厌氧系统设备按照下...
一工程概况工程内容营口港仙人岛原油储库工程三期工程12台10万立方米外浮顶储罐,分为罐组五、罐组六两个罐区,根据业主要求,两个罐区分别...
☆内部资料注意保存^XXXX工程3000m3消防水罐试水、沉降方案xx公司XX项目部二零一九年七月十日编制:审核批准一、编制依据1、《立式圆筒形钢...
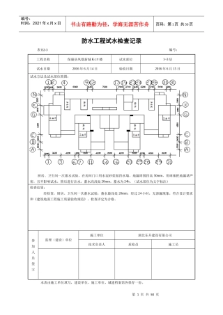
防水工程试水检查记录表E2-3编号:工程名称保康县凤凰新城K4#楼试水部位1~3层试水日期2016年6月14日验收日期2016年6月15日试水方法及试水...
第1页共34页编号:时间:2021年x月x日书山有路勤为径,学海无涯苦作舟页码:第1页共34页防水工程蓄水检查记录编号:工程名称阜阳市东方商贸...
发行日期2002年07月10日深圳成霖洁具股份有限公司产品试水试风检验标准编号:4-544000-A011修订日期2005年10月14日版次:1-4版共5页,第1页1....
铝合金门窗渗漏防止措施1规范中对铝合金门窗的试水规定《建筑外窗雨水渗漏性能分级及其检测方法》(GB7108-86)对铝合金门窗的渗漏性检测做...
铝合金门窗试水及渗漏的综合防治铝合金门窗试水及渗漏的综合防治近年来,房屋外围铝合金门窗的使用越来越普遍,在铝合金门窗施工中主要注意...
上海名华工程建筑有限公司大华·铂金华府A地块地下室人防试水施工方案1武汉大华·铂金华府A地块地下室人防试水施工方案建筑单位:大华人和...
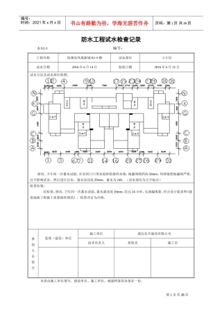
第1页共38页编号:时间:2021年x月x日书山有路勤为径,学海无涯苦作舟页码:第1页共38页防水工程试水检查记录表E2-3编号:工程名称保康县凤...
第1页共50页编号:时间:2021年x月x日书山有路勤为径,学海无涯苦作舟页码:第1页共50页防水工程试水检查记录表E2-3编号:工程名称保康县凤...
一工程概况工程内容营口港仙人岛原油储库工程三期工程12台10万立方米外浮顶储罐,分为罐组五、罐组六两个罐区,根据业主要求,两个罐区分别...
白沙奢侈品营销试水之旅作为有史以来最逗趣、最尖刻、最丰富的文化批评,理查德-康尼夫在其插科打诨、引人入胜的《大狗——富人的物种起源...
诺亚联手华远地产试水“众筹”房企探索轻资产模式•诺亚联手华远地产的背景和目的•诺亚联手华远地产的众筹项目分析•轻资产模式在房地产行...
白沙奢侈品营销试水之旅作为有史以来最逗趣、最尖刻、最丰富的文化批评,理查德-康尼夫在其插科打诨、引人入胜的《大狗——富人的物种起源...
“最大胆”的机构改革:广东顺德试水党政合署机构改革再次成为举国关注的焦点话题。中共中央关于深化党和国家机构改革的决定明确提出统筹设...
宁夏宝丰能源集团有限公司15万吨/年煤焦油加工项目装置区内槽罐体充水试验施工方案审批:审核:编制:山西省工业设备安装公司宝丰能源焦油...

