电脑桌面
添加小米粒文库到电脑桌面
安装后可以在桌面快捷访问

防水工程试水检查记录49VIP专享VIP免费

防水工程试水检查记录49_第1页
1/49
防水工程试水检查记录49_第2页
2/49
防水工程试水检查记录49_第3页
3/49
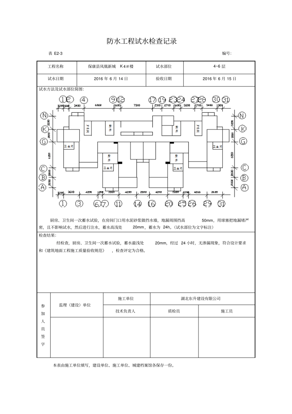
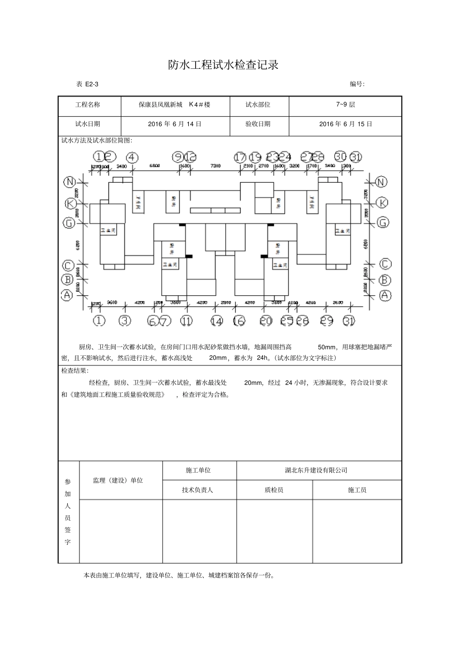
防水工程试水检查记录表E2-3编号:工程名称保康县凤凰新城K4#楼试水部位1~3层试水日期2016年6月14日验收日期2016年6月15日试水方法及试水部位简图:厨房、卫生间一次蓄水试验,在房间门口用水泥砂浆做挡水墙,地漏周围挡高50mm,用球塞把地漏堵严密,且不影响试水,然后进行注水,蓄水高浅处20mm,蓄水为24h。(试水部位为文字标注)检查结果:经检查,厨房、卫生间一次蓄水试验,蓄水最浅处20mm,经过24小时,无渗漏现象,符合设计要求和《建筑地面工程施工质量验收规范》,检查评定为合格。参加人员签字监理(建设)单位施工单位湖北东升建设有限公司技术负责人质检员施工员本表由施工单位填写,建设单位、施工单位、城建档案馆各保存一份。防水工程试水检查记录表E2-3编号:工程名称保康县凤凰新城K4#楼试水部位4~6层试水日期2016年6月14日验收日期2016年6月15日试水方法及试水部位简图:厨房、卫生间一次蓄水试验,在房间门口用水泥砂浆做挡水墙,地漏周围挡高50mm,用球塞把地漏堵严密,且不影响试水,然后进行注水,蓄水高浅处20mm,蓄水为24h。(试水部位为文字标注)检查结果:经检查,厨房、卫生间一次蓄水试验,蓄水最浅处20mm,经过24小时,无渗漏现象,符合设计要求和《建筑地面工程施工质量验收规范》,检查评定为合格。参加人员签字监理(建设)单位施工单位湖北东升建设有限公司技术负责人质检员施工员本表由施工单位填写,建设单位、施工单位、城建档案馆各保存一份。防水工程试水检查记录表E2-3编号:工程名称保康县凤凰新城K4#楼试水部位7~9层试水日期2016年6月14日验收日期2016年6月15日试水方法及试水部位简图:厨房、卫生间一次蓄水试验,在房间门口用水泥砂浆做挡水墙,地漏周围挡高50mm,用球塞把地漏堵严密,且不影响试水,然后进行注水,蓄水高浅处20mm,蓄水为24h。(试水部位为文字标注)检查结果:经检查,厨房、卫生间一次蓄水试验,蓄水最浅处20mm,经过24小时,无渗漏现象,符合设计要求和《建筑地面工程施工质量验收规范》,检查评定为合格。参加人员签字监理(建设)单位施工单位湖北东升建设有限公司技术负责人质检员施工员本表由施工单位填写,建设单位、施工单位、城建档案馆各保存一份。防水工程试水检查记录表E2-3编号:工程名称保康县凤凰新城K4#楼试水部位10~12层试水日期2016年6月14日验收日期2016年6月15日试水方法及试水部位简图:厨房、卫生间一次蓄水试验,在房间门口用水泥砂浆做挡水墙,地漏周围挡高50mm,用球塞把地漏堵严密,且不影响试水,然后进行注水,蓄水高浅处20mm,蓄水为24h。(试水部位为文字标注)检查结果:经检查,厨房、卫生间一次蓄水试验,蓄水最浅处20mm,经过24小时,无渗漏现象,符合设计要求和《建筑地面工程施工质量验收规范》,检查评定为合格。参加人员签字监理(建设)单位施工单位湖北东升建设有限公司技术负责人质检员施工员本表由施工单位填写,建设单位、施工单位、城建档案馆各保存一份。防水工程试水检查记录表E2-3编号:工程名称保康县凤凰新城K4#楼试水部位13~15层试水日期2016年6月14日验收日期2016年6月15日试水方法及试水部位简图:厨房、卫生间一次蓄水试验,在房间门口用水泥砂浆做挡水墙,地漏周围挡高50mm,用球塞把地漏堵严密,且不影响试水,然后进行注水,蓄水高浅处20mm,蓄水为24h。(试水部位为文字标注)检查结果:经检查,厨房、卫生间一次蓄水试验,蓄水最浅处20mm,经过24小时,无渗漏现象,符合设计要求和《建筑地面工程施工质量验收规范》,检查评定为合格。参加人员签字监理(建设)单位施工单位湖北东升建设有限公司技术负责人质检员施工员本表由施工单位填写,建设单位、施工单位、城建档案馆各保存一份。防水工程试水检查记录表E2-3编号:工程名称保康县凤凰新城K4#楼试水部位16~18层试水日期2016年6月16日验收日期2016年6月17日试水方法及试水部位简图:厨房、卫生间一次蓄水试验,在房间门口用水泥砂浆做挡水墙,地漏周围挡高50mm,用球塞把地漏堵严密,且不影响试水,然后进行注水,蓄水高浅处20mm,蓄水为24h。(试水部位为文字标注)检查结果:经检查,厨房、...

1、当您付费下载文档后,您只拥有了使用权限,并不意味着购买了版权,文档只能用于自身使用,不得用于其他商业用途(如 [转卖]进行直接盈利或[编辑后售卖]进行间接盈利)。
2、本站所有内容均由合作方或网友上传,本站不对文档的完整性、权威性及其观点立场正确性做任何保证或承诺!文档内容仅供研究参考,付费前请自行鉴别。
3、如文档内容存在违规,或者侵犯商业秘密、侵犯著作权等,请点击“违规举报”。

碎片内容

防水工程试水检查记录49

确认删除?
VIP
微信客服
  • 扫码咨询
会员Q群
  • 会员专属群点击这里加入QQ群
客服邮箱
回到顶部