下载后可任意编辑型钢梁混凝土施工方案12024 年 4 月 19 日目 录一、编制依据.......................................................
下载后可任意编辑型钢梁专项施工方案12024 年 4 月 19 日下载后可任意编辑第一章 工程概况一、工程概述工程名称:无为国购广场建设单...
下载后可任意编辑会所钢梁加固施工方案12024 年 4 月 19 日下载后可任意编辑 外滩会所钢梁加固施工方案1.编制依据1.1 本工程结构加...
华能沁北电厂三期工程除氧煤仓间楼层钢梁制作安装施工方案第 1 页 共 20 页河南省第二建筑工程有限责任公司沁北电厂三期工程项目部1、...
下载后可任意编辑预应力砼箱梁滑移式钢梁模架逐孔施工工法 一、工法简介 二、工艺原理及特点 三、工艺程序 四、操作要点 五、质量标准...
下载后可任意编辑 精品文档下载 最新资料,word 文档,可以自由编辑!!下载后可任意编辑【本页是封面,下载后可以删除!】怀柔区北大街...
博源广场煤炭交易中心工程 编 制 人: 审 核 人: 批 准 人: 中铁十一局集团建筑安装工程有限公司乌兰察布博源广场工程项目部 ...
下载后可任意编辑钢结构工程安装合同 甲方: 乙方:依照《中华人民共和国合同法》、《中华人民共和国建筑法》及其他有关法律、行政法规、...
市政基础设施工程钢梁现场安装检查批质量检查统计 市政验·桥-41 第 页 共 页工程名称单位工程名称施工单位分包单位项目负责人项目技...
v1.0 可编辑可修改00 ***********中心二层大厅雨棚(吊顶)造型钢结构安装方案1.综合说明编制说明1.1.1 本施工方案,仅适用于指导*****...
施工组织设计审批表编 号 : YY002 表 号 : CX02-01 工 程 名 称云 阳 汤 溪 河 大 桥承包单位重庆桥梁工程总公司施 工...
钢梁跨度 L1.2 m截面面积A钢材型号(Q235,Q345)235钢梁型号(例:HN200x100):HN200X100a截面惯性矩Ix翼缘宽度 Bf99.0mm截面抵抗矩Wx翼...
钢梁吊装方案 一、施工准备: 〔1〕对钢结构施工图纸进行会审,并制定出工程施工方案。 〔2〕针对本工程特点及实际情况,选用好机具设备...
失败乃成功之母,黑暗之后就是光明!� 1 钢 梁 施 工 方 案 编制: 审核: 失败乃成功之母,黑暗之后就是光明!� 2 批准: ...
钢梁安装施工工艺 一、适用范围 适用于焦作电厂上大压小异地工程主厂房钢梁单项和综合安装。 二、引用标准 (1)钢结构工程施工质量验收...
博源广场煤炭交易中心工程 编 制 人: 审 核 人: 批 准 人: 中铁十一局集团建筑安装工程有限公司乌兰察布博源广场 工程项目部...
简支钢梁计算书1.2 m2359 235 Q235HN200X100a16131754 99.0 mm162947 7.0 mm1137396 4.5 mm22978 198.0 mm0.19 kN/m自重弯矩标...
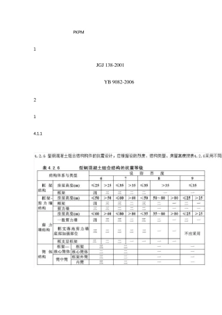
PKPM 型钢梁、混凝土柱框架结构分析要点 1、参考规范 《型钢混凝土组合结构技术规程》(JGJ 138-2001) 《钢骨混凝土结构技术规程》(...
中国建设集团 型钢梁混凝土施工方案 - 1 - 目 录 一、编制依据 .......................................................... - ...
(完整版)钢梁加固专项施工方案1

