GJ-35 型拉线制作与安装(一)、 拉线的简况一、拉线是输配电架空线路重要组成部分,在线路中起着平衡杆塔的不平衡张力;稳定杆塔的作用...
10KV 及以下架空配电线路安装工艺要求 1.电杆基坑及基础埋设 1.1.基坑施工前的定位符合下列规定: ⑴.直线杆顺线方向位移,10KV 及以...
四川省电力公司 10kV及以下农网工程典型施工工艺 四川省电力公司 第一分册 架空线路 第六章 拉线制作组装工艺规范 2012 年 3 月...
内拉线抱杆起吊及操作流程 一、概述 内拉线抱杆分解组塔的优点有: (1) 施工现场紧凑,不受地形,地物限制。使用内拉线抱杆分解组塔...
目 录 1 内悬浮外拉线抱杆工艺简介 ..................................................................... 2 2 施工工艺流程及操...
架空电力线路拉线安装施工记录 DQ-28工程名称工程编号单位工程名称架空电力线路工程线路电压(kV)6KV导线规格型号LGJ-95/15地线规格型号B...
太钢一联西线、 一联东线 7#-8#杆间拉线改线施工方案编制:王忠义审核:三电部:电力厂:批准:太钢建设设备安装公司电气分公司2005-7-2...
精选10KV及以下架空配电线路安装工艺要求1. 电杆基坑及基础埋设1.1. 基坑施工前的定位符合下列规定:⑴. 直线杆顺线方向位移, 10KV及...
外拉线抱杆组塔作业指导书一、 施工工序流程图:二、施工方法及要求:外拉线抱杆分解组塔是一种运用较广的组塔方式。它不仅在送电线路铁塔...
仅供参考[整理]第1页共4页安全管理文书内悬浮内(外)拉线抱杆分解组塔安全措施日期:__________________单位:__________________仅供参考...
10KV及以下架空配电线路安装工艺要求1.电杆基坑及基础埋设1.1。基坑施工前的定位符合下列规定:⑴。直线杆顺线方向位移,1OKV及以下架空电力...
.专业资料.整理分享.承受固定性平衡荷载比较显著的电杆,如终端杆、角杆、跨越^杆等土均应装设线。为'避免线受强大风荷载的破坏’或在土质...
精选10KV及以下架空配电线路安装工艺要求1.电杆基坑及基础埋设1.1.基坑施工前的定位符合下列规定:⑴.直线杆顺线方向位移,10KV及以下架空...
一个好玩的拉线木偶玩具引言:小时候,我们都玩儿过木偶。爸爸也会用硬纸板剪成人形,用线穿过,制作出像李小双一样的体操宝宝,特别形象。...
目录1内悬浮外拉线抱杆工艺简介.....................................................................22施工工艺流程及操作要点...........
技术交底会签表工程名称京津城际延伸线工程施工部位CJDK117+100至CJDK9+000编制人时间审核人时间批准人时间交底内容接触网基础接受交底单位...
我发现了飞机拉线的秘密今年寒假,我发现了飞机拉线的秘密。寒假的时候,我回到了我的老家。有一天,我在和老家的小朋友一块玩儿的时候,一...
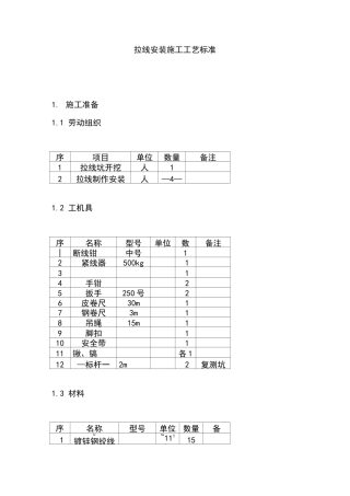
拉线安装施工工艺标准1.施工准备1.1劳动组织序项目单位数量备注1拉线坑开挖人12拉线制作安装人—4—1.2工机具序名称型号单位数备注|断线钳...
排斥线路的拉线1范畴本工艺标准应用于10kV及以下排斥配电线路的拉线装置工程。2施工预备2.1材料恳求:所采纳的东西、材料应契合国家现行技...
.拉线与安装为了防止架空线路杆塔倾覆、杆塔承受过大的弯矩和横担扭歪等,需要在杆塔或横担等部位打设拉线。拉线的作用是使拉线产生的力矩...

