验证文件类 别:编 号:部 门:XXXX微生物限度检查方法适用性试验方案XXXXX公司2016 年XXXX微生物限度检查方法适用性试验方案审批起草...
G M P 文件湖 北 * * * * * * 药 业 有限 公 司本文件为受控文件,仅限湖北**** 药业有限公司内部使用。未经授权,不得使...
第 1 页 共 5 页管理规程文件编号:SOP-ZL-QC115计数培育基适用性检查操作规程版本号:00生效日期:2024.01.01 文件内容:1. 目的:...
下载后可任意编辑编号:AQ-JY-WJ中铝广西有色金源稀土股份有限公司规章制度执行情况和适用性评审报告编制:安环部审核:黎翻下载后可任意编...
编号: FA/06-31-B 培养基适用性 验证方案 计数培养基 甘 肃 佛 仁制药科技有限公司 培养基适用性验证方案 标 题 培养基适用性...
下载后可任意编辑客运站安全生产法律法规适用性自检自查表下载后可任意编辑日期:2024 年 12 月 31 日检查人员:现有适用性法律法规、...
培养基适用性检查记录质量部培养基适用性检查记录培养基名称:沙氏葡萄糖琼脂培养基来源:批号:对照培养基:来源:批号:检验依据:检验人...
培养基适用性检查报告1. 试验目的:对培养基性能的质量控制,以保证微生物检验的质量。2. 适用范围:适用于细菌、霉菌及酵母菌计数用培养...
欧亚六国养老保险名义账户制对中国基本养老保险关系异地转移接续(全国统筹)的适用性分析许志军 09 级劳动与社会保障摘要:从 1995 年...
**有限公司程序文件文件编号SM-03生效日期2019年06月05日信息安全适用性声明修订状态A0页码第1页,共34页1.目的与范围本声明描述了在GB/T22...
五种运输方式概述及综合运输浅谈在我国,运输的方式大体分为铁路、公路、航空、水运以及管道运输。这五种运输方式各有优缺点,可以相互补充...
信息安全控制参考5组织控制5.1信息安全策略5.2信息安全角色与职责5.3职责分离5.4管理职责5.5与职能机构的联系5.6与特定相关方的联系5.7威胁...
中铝广西有色金源稀土股份有限公司规章制度执行情况和适用性评审报告编制:安环部审核:黎翻审批:曾阳庆中铝广西有色金源稀土股份有限公司...
成都任我行软件股份有限公司1管家婆汽配汽修3S系统汽车4S店适用性分析方案成都任我行软件股份有限公司二〇一二年八月成都任我行软件股份有...
钢筋混凝土构件的适用性与耐久性课件目录CONTENTS•钢筋混凝土构件的基本知识•钢筋混凝土构件的适用性•钢筋混凝土构件的耐久性•钢筋混凝...
供应商质量适用性资质核查和管理课件CATALOGUE目录•供应商质量适用性资质核查概述•供应商质量管理体系评估•供应商产品适用性检验•供应...
•供应商质量适用性资质核查概述•供应商质量管理体系评估•供应商产品适用性检验•供应商质量改进与提升•供应商质量风险管理与应对•供应...
实用标准文档文案大全规章制度及安全操作规程执行情况和适用性评审报告编制:牟海滨审核:何广义审批:毕海英2018年03月26日发布实用标准文...
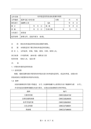
第1页共7页文件名称培养基适用性检查标准操作规程文件编码SOP-QC-1015-03页数共页颁发部门GMP办公室QA年月日修订年月日批准年月日审核年月...
此资料由网络收集而来,如有侵权请告知上传者立即删除。资料共分享,我们负责传递知识。劳动合同法第40条第3项适用性篇一:劳动合同法第40...

