下载后可任意编辑钻孔灌注桩施工方案一、工程概况炮台路建设工程-沿山河桥长度为 24m(三跨),宽度为24m,桥梁为现浇连续。桥梁与中心线...
福州松下港牛头湾作业区 0#泊位工程灌注桩施工方案编 制: 审 核: 审 批: 中交三航局福州松下港牛头湾作业区0#及 3#泊位工程项目经...
螺旋钻孔灌注桩技术交底 交底部位 工程编号 日期 交底内容: 螺旋钻孔灌注桩 1 范畴 本工艺标准适用于工业及民用建筑中地下水以上...
螺旋钻孔灌注桩 本工艺标准适用于地下水位以上的黏性土、砂土、人工填土等的螺旋钻孔灌注桩工程。 1 施工准备 1.1 材料及机具 1.1.1...
苏州市中环快速路北段 ZH-LQ05 标段钻孔灌注桩施工总结苏州二建建筑集团有限公司中环快速路北段 ZH-LQ05 标项目经理部2013 年 3 月...
冲锤灌注桩施工方案 1.施工工艺流程图 场地平整→桩位放线、开挖浆池→桩机就位→护筒埋设、孔位校正→冲击成孔、泥浆循环→清孔→成孔验...
冲 孔 灌 注 桩 专 项 方 案 第 一 节 工 程 概 况 御 景 豪 庭 小 区 工 程 位 于 古 田 县 松 台 口 门...
第 1 页 共 8 页 工程名称 第一卷 冲击钻成孔灌注桩施工 冲击钻成孔灌注拉系用冲击式钻机或卷扬机悬吊冲击钻头(又称冲锤)上下往...
冲击钻灌注桩施工方案 1、目的 明确桥梁桩基冲击钻施工作业的工艺流程、操作要点和相应的工艺标准,指导、规范桩基作业施工。 2、编制依...
钻孔灌注桩灌注监理旁站统计工程名称:海河桥梁项目富民桥工程 编号:工程部位钻孔灌注桩承包人技术负责人韩振勇施工日期及开钻时间墩台编...
钻孔灌注桩清孔办法浅析 摘要:随着楼宇的增高和公路桥梁的发展,钻孔灌注桩逐步成为基础的首选形式,而钻孔灌注桩中往往有一种被人无视的...
钻孔灌注桩开孔单工程名称: 栋 号桩孔号机组号序号设计桩径 开孔时间 年 月 日设计桩长终孔时间 年 月 日孔口标高终孔孔深设计孔...
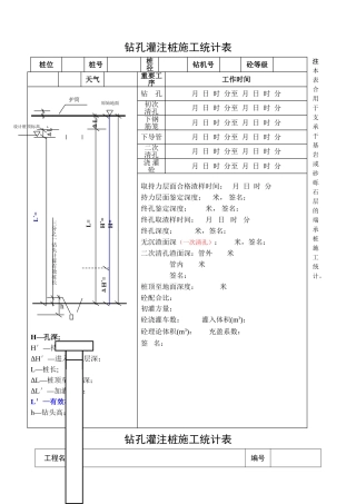
钻孔灌注桩施工统计表注本表合用于支承于基岩或砂砾石层的端承桩施工统计。钻孔灌注桩施工统计表工程名称编号桩位桩号桩径钻机号砼等级天气...
浅谈厚淤泥质土钻孔灌注桩的质量控制摘要:钻孔灌注桩施工技术是我国土木工程施工中日益成熟的应用技术,并以较强的地质适应性以及较低的成...
2004浙G23钻孔灌注桩
2004 浙G 23 钻孔灌注桩图集
二级1386612001600012001.12803768113040020401.510200.714.913474.4满足满足二级1386610001600010001.1280314078500014167.77083.814.9935...
下载后可任意编辑钻孔灌注桩施工安全方案与钻探施工劳动竞赛实施方案汇编钻孔灌注桩施工安全方案一、工程概况××公路新建工程××××桥跨...
下载后可任意编辑钻孔灌注桩泥浆处理方案与钻探施工劳动竞赛实施方案汇编钻孔灌注桩泥浆处理方案一、工程概况本工程苏州国库支付中心、信息...
下载后可任意编辑钻孔灌注桩施工安全方案与钻孔突发事故应急处理方案汇编钻孔灌注桩施工安全方案一、工程概况××公路新建工程××××桥跨...

