唐家营城中村改造工程(B 地块)工程桩施工1 唐家营城中村改造工程(B地块)工程桩施工方案唐家营城中村改造工程(B 地块)工程桩施工2...
灌注桩后注浆技术与质量控制一、概述灌注桩后注浆技术是指灌注桩成桩后一定时间,通过预设在桩身内的注浆导管及与之相连的桩端、 桩侧注浆...
大上海会德丰广场灌注桩工程取芯检测方案上海众合检测应用技术研究有限公司2009 年 10 月 20 日2 大上海会德丰广场灌注桩工程取芯检...
1 钢筋加工工序作业要点卡片基本作业: 桥 101 上道工序: 技术交底序号工序作业控制要点1 钢筋备料钢筋表面的油渍、漆污、水泥浆和...
旋挖钻孔灌注桩施工工法来源:www 发布日期:2009-6-1922:00:26旋挖钻孔灌注桩施工工法前言:旋挖钻机在国际上的发展已经有几十年的历史,...
《 瑞 湖 天 地 》 二 期 房 地 产 开 发 项 目钻孔灌注桩施工承包合同发包方:湖北国海房地产开发有限公司(以下简称甲方)...
基桩静载试验桩头处理方案1. 试桩桩头宜保持与地面水平, 在静载试验前应进行加固处理, 应在原桩顶凿清浮浆后接驳浇灌钢筋混凝土桩头,...
第 1 页 共 15 页钻孔灌注桩技术质量交底记录建筑 B-12 建设单位上海锦江汽车服务有限公司工程名称锦江国宾外事接待用车专用车库工...
混凝土灌注桩钢筋笼检验批质量验收记录(GB50202-2002) 表编号: 010405□□□(1)工程名称分项工程名称项目经理施工单位验收部位施工执行...
混 凝 土 灌 注 桩 ( 钢 筋 笼 ) 工 程 检 验 批 质 量 验 收 记 录 表GB50202 — 2002 (Ⅰ ) 010203□□010...
混凝土灌注桩检验批质量验收记录(GB50202-2002) 表 5.6.4-2编号: 010405□□□ (2)工程名称分项工程名称项目经理施工单位验收部位施工...
江夏区照耀村还建新村二期桩基工程施工组织设计编制 : 审核:审批 :湖北锦华基础工程有限公司2011 年 12 月 17 日目录第一章总则1...
江 西 洪 屏 抽 水 蓄 能 电 站混凝土灌注桩施工监理实施细则中国水利水电建设工程咨询西北公司江西洪屏抽水蓄能电站工程监理中心...
航天四院经济适用性高层住宅建设项目二区高层住宅工程Ⅱ-1# 、2#、3#、4#住宅楼桩基工程施工方案西安中勘工程有限公司二零一七年三月一日...
中 国 通 号 ·三 水 天 聚 广 场 工 程旋挖钻孔混凝土灌注桩后注浆施工方案编制单位:编制日期:目录一、 工程概况1、 工程...
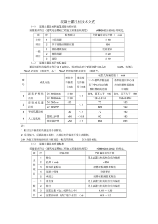
混凝土灌注桩技术交底(一)混凝土灌注桩钢筋笼质量检验标准质量要求符合《建筑地基基础工程施工质量验收规范》(GB50202-2002) 的规定。项...
混 凝 土 灌 注 桩 工 艺 施 工 过 程施工前准备1. 熟悉和掌握有关的图纸设计和施工规范要求及图纸会审记录、设计变更通知图纸...
混凝土灌注桩工程检验批质量验收记录表GB50202- 2002 (Ⅱ)010405 单位(子单位)工程名称分部(子分部)工程名称验收部位施工单位项目...
安全技术交底记录编号12GCB— 001工程名称选矿拜耳法系统分解降温设施分项工程名称混凝土灌注桩施工单位中色十二冶中州工程项目经理部交底...
混凝土灌注桩分项工程检验批质量验收记录鲁 ZJ—043 工程名称检验批部位施工执行标准名称及编号施工单位项目经理专业工长分包单位分包项...

