网络流量自相似特性课件• 网络流量的特性• 网络流量自相似性的原因• 网络流量自相似性的影响• 网络流量自相似性的测量和建模• 网...
电工熟知应用快速计算法及铜芯电缆导线安全载流量计算已知三相电动机容量,求其额定电流口诀:容量除以千伏数,商乘系数零点七六。说明:(...
更多资料请访问.(.....)更多企业学院:...../Shop/《中小企业管理全能版》183 套讲座+89700 份资料...../Shop/40.shtml《总经理、高...
e 地通流量管理解决方案 内容客户面临的问题产品特点 & 客户价值网络部署拓扑产品选型关于惠尔顿 议题一 : 客户面临的问题关键应用...
第 !" 卷第 ! 期#$%&!" ’$&!水 利 水 电 科 技 进 展()*+,-./ 0, 1-0.,-. +,) 2.-3,$%$45 $6 7+8.9 :./$;9-./"<=" 年...
目录摘要 .................................................................1双闭环流量比值控制系统设计...............................
“双 11”的第 11 年:流量碎片化与增长焦虑2019 年“双 11”进入第十一年,伴随新十年而来的是流量碎片化与增长焦虑。各大电商更早启...
压差法测量气体管道流量项目编号082032-3项目名称压差法测量气体管道流量面向专业材料科学与工程课程名称无机材料热工基础教材、实习指导名...
?压力单位换算表单位KPa MPa bar mbar kgf/cm 2cmH 2O mmH 2O mmHg p.s.i Pa 1 10-3-6 10 10-510-210.2 X1.02 X10-3101.9...
流量与管径、压力、流速的一般关系一般工程上计算时,水管路,压力常见为0.1--0.6MPa ,水在水管中流速在1--3米/ 秒,常取 1.5 米/ 秒...
卫 生 器 具 排 水 的 流量 、 当 量 和 排 水 管 的管 径表 4.4.4 卫生器具排水的流量、当量和排水管的管径序号卫生器...
医用气体流量计算与设备选型根据全国医疗卫生服务体系规划纲要(2015 — 2020 年) “严格控制公立医院单体(单个执业点)床位规模的不合...
1导线截面积与载流量的计算一、一般铜导线载流量导线的安全载流量是根据所允许的线芯最高温度、冷却条件、敷设条件来确定的。一般铜导线的...
图 1.质量流量控制器结构图1. 什么是质量流量计?什么是质量流量控制器?质量流量计,即 MassFlowMeter(缩写为 MFM),是一种精确测量...
经鼻高流量湿化氧疗的护理呼吸与危重科XXXLOGO氧疗家族的后起之秀LOGO传统氧疗的局限性01经鼻高流量氧疗的生理学效应03经鼻高流量氧疗的概...
实验报告Experimentation Report of Taiyuan teachers College 系部:化学系年级:大四课程:化工实验姓名:学号:日期: 2012/09/1...
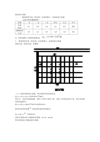
推求设计流量一、推求典型支渠(四支渠)及其所属斗,农渠的设计流量 支取长度及灌溉面积渠别一支二支三支四支五支合计长度(Km)4.75.95....
常用电力电缆载流量及电缆保护管选择表目录常用 6kv 电力电缆载流量P1VLV -1 铝芯聚氯乙烯电力电缆载流量P4VV -1 铜芯聚氯乙烯电力电...
电缆载流量计算书1、载流量计算使用条件及必要系数序号项目单位数据1电压 U/ukV64/1102频率 fHz503介电常数2.34介电损耗角正切0.0015铝护...
毕业设计(论文) 题目:装载机的流量控制阀与速度控制回 路的故障诊断与排除 系 别: 机 电 工 程 系 专 业:工程机械运用与维护...

