精品文档---下载后可任意编辑高校师生心理契约与老师履约效应讨论的开题报告讨论题目:高校师生心理契约与老师履约效应讨论讨论背景及意义...
精品文档---下载后可任意编辑云南建工集团工程履约担保管理信息系统的分析与设计的开题报告一、选题背景随着我国经济的快速进展,建筑工程...
精品文档---下载后可任意编辑中交北方公司工程施工合同履约管理讨论开题报告一、讨论背景及意义中交北方公司是中国交通建设集团有限公司下...
精品文档---下载后可任意编辑中交北方公司工程施工合同履约管理讨论中期报告中交北方公司工程施工合同履约管理讨论中期报告一、讨论背景工...
精品文档---下载后可任意编辑《鹿特丹规则》下海运履约方法律地位讨论的开题报告一、讨论背景和意义随着全球化的加速和经济的进展,国际贸...
精品文档---下载后可任意编辑《鹿特丹规则》中海运履约方制度讨论的开题报告题目:《鹿特丹规则》中海运履约方制度讨论一、选题背景随着世...
精品文档---下载后可任意编辑《鹿特丹规则》下海运履约方法律制度讨论——兼论对中国和东盟海运立法之影响的开题报告一、选题背景及意义鹿...
1 合 同 签 订 技 巧 及 履 约 风 险 防 范 一 、 合 同 签 订 技 巧 ( 一 ) 签 订 前 对 合 作 对 象...
1 关于履约保证保险及银行的风险防范 关于履约保证保险及银行的风险防范 作者 姬晓红 广义的保证保险是指诚实保证保险和确实保证保险...
供方履约评价表(工程施工类) 项目名称 供方名称 服务项目 合同名称 合同编号 合同金额 合同签订时间 合同生效时间 合同终止时间...
1 / 28 代理进口俄罗斯钢材未能履约的索赔谈判 计划书 2 / 2 8 目录 一、案例回顾 二、谈判主题 三、谈判人员 四、谈判环境分...
第一部分 通用部分 目标 1 为加强海上安全和海洋环境保护,有效履行我国加入的国际海事公约,规范我国海事履约工作,依照《国际海事组...
安邦财产保险股份有限公司 个人汽车消费贷款履约保证保险条款 安邦(审批)[2009]N1 号 总则 第一条 本保险合同由保险条款、投保单、...
证 明 由河南胜达建筑工程有限公司承建我单位的河南信息工程学校校史展览馆工程,在工程施工过程中,能够认真履约合同,应积极配合甲方和...
考核委员会(小组)意见 负责人: 年 月 日 单位考核鉴定 考核等次 优秀 合格 基本合格 不合格 考 核 意 见 负责人: 盖 ...
*************建设发展有限公司总承包单位履约考核实施方案工程管理部 2017 第()号一、 考核目的通过对参建单位的履约情况考核,对***...
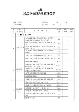
工程施工单位履约考核评分表施工单位名称:考核时段:年第季度工程合同标段:考核日期:年月日编号一考核项目及标准分工 程 组 织 (10...
施工单位履约情况检查总结表项目名称:建设单位:施工单位:监理单位:检查日期:检查人员:单位督查项目督查内容督查方式扣分扣分原因备注...
下载后可任意编辑施工合同履约行为监督检查方案一、检查组织市住房和城乡建设局负责全市建设工程施工合同履约行为监督检查工作,各县(市)、...
下载后可任意编辑施工合同履约行为监督检查方案范文市住房和城乡建设局负责全市建设工程施工合同履约行为监督检查工作,各县(市)、区住房和...

