楼层主管年终工作总结范文楼层主管年终工作总结范文 1 我从 xxxx 年 x 月加入 xxx 商管部,担任一楼主管,深感自己是一名最终端的...
楼层主管个人年度述职报告楼层主管个人述职报告 1 紧张与忙碌的 20____即将过去,回顾这一年的工作,有许多收获与体会,客房部作为酒店...
政 策 及 程 序POLICIES & PROCEDURES部 门:分 部 门:Department: 房务部Outlet: 楼层工作任务:涉及员工:Task: 楼层中班员工的...
商场楼层管理员工作总结 时间过得好快!不知不觉中加入三分部这个团队工作已经一个多月了,暮然回首,有失落时的茫然,也有遇到困难和挫折...
商场楼层工作总结商场楼层工作总结 1 紧急与劳碌的开荒期已经过去,酒店也从试营业到正式营业渐渐渐渐步入正轨,回顾这两个个多月的工作...
商场商管部楼层主管个人工作总结 我从 xxxx 年 x 月加入 xxx 商管部,担任一楼主管,深感自己是一名最终端的经营者。主要职责是,维...
关于楼层主管个人年度述职报告精选大全五篇 楼层主管个人述职报告 1 紧张与忙碌的 20____即将过去,回顾这一年的工作,有许多收获与体...
1、2□检查合□检查不合格,修改后复工程名称康盛家园 1#编号02-01-C037-1放线日期2012 年 5 月 22 日放线内容轴线放线部位一层放线...
百货楼层布局和动线设计 百货商场的动线设计的作用有哪些,贵公司在这方面有哪些经验和成功案例?百货商场的动线设计应该注意哪些问题,又...
目录 一、前言…………………………………………………………….2 二、总体方案设计……………………………………………….....3 三、单...
一、 产品名称: 电梯楼层字符叠加器 二、 产品型号: NE-DT-8014 / NE-DT-9013 三、产品介绍: 电梯楼层字符叠加器及电梯楼层显...
引用 高层电梯公寓的楼层选择 高层住宅是城市化、工业化的产物,近几年小高层也如雨后春笋在各地遍地开花。这里先说说小高层的益处,首先...
浅谈怎样做好商场楼层人员的管理工作班级:姓名:学号:摘要:楼层主管的工作就是现场,工作内容非常详细,琐碎的工作。详细平常工作内容,...
1 、总信息: 2 、材料信息: 3 、钢筋信息: 4 、地震信息: 5 、风荷载信息: 6 、荷载输入 可以输入非楼面传来的梁上恒载或...
北京东洋机械建筑工程有限公司 中 央 电 视 台 新 台 址 建 设 工 程 B 标 段 三层、四层新增设备检修平台 施 工 方 ...
00001.4m8m 金域揽峰花园1-7 栋及室外环境工程 编号:FA-28 楼层止水施工方案 编制: 初审: 审核: 批准: 深圳市鹏城建筑集团有...
楼层标高抄测记录 工程名称 太和居安家园2#楼工程 日 期 抄测部位 地上一层1-13 轴框架柱 抄测内容 楼层+1.000M 水平控制线 放...
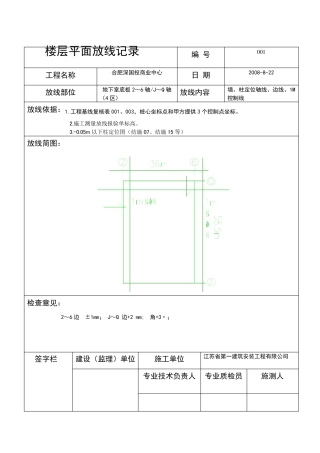
楼层平面放线记录 编 号 0 0 1 工程名称 合肥深国投商业中心 日 期 2008-8-22 放线部位 地下室底板2~6 轴/J~Q 轴 (4 区...
合同编号 建设工程施工劳务分包合同 工 程 名 称: 工程承包单位: 劳务分包单位: 建设工程施工分包合同 工程承包方: 简称甲方...
XXX 项 目 1#楼 、10#楼 、11#楼 、12#楼 主体沉降观测方案 四川XXXX 信息工程有限公司 2015 年 8 月 - 2 - 拉 菲 2-1...

