水泥熟料煅烧工艺水泥熟料煅烧工艺•水泥熟料煅烧工艺简介水泥熟料煅烧工艺简介•水泥熟料煅烧工艺流程水泥熟料煅烧工艺流程•水泥熟料煅烧...
1、技改项目工程分析:(1)建设内容及工程规模xxxx2500t/d熟料生产线目前已采用窑头低氮燃烧器和分解炉分级燃烧技术,已经取得了一定了减排...
竞聘熟料制造部部长演讲稿。各位领导、各位评委:。。。大家好。。。。我叫刘xx,现年39岁,现为我公司总工助理,毕业于XX省建筑材料工业学...
工程设计任务书题目:日产5200吨熟料预分解窑的预热器系统设计一初始条件:1原料的化学分析结果物料烧失量SiO2Al2O3Fe2O3CaOMgOSO3K2ONa2OH2...
施工组织设计(方案)报审表工程名称:国投印尼巴布亚水泥有限公司3200t/d熟料水泥生产线钢网架工程致:国投印尼巴布亚水泥有限公司广东建...
水泥生产工艺及水泥熟料的形成水泥生料经过连续升温,达到相应的温度时,其煅烧会发生一系列物理化学变化,最后形成熟料。硅酸盐水泥熟料主要...
5000t/d水泥熟料预分解窑窑尾(低氮氧化合物排放)工艺设计摘要:水泥是社会经济发展最重要的建筑材料之一,在今后几十年甚至是上百年之内...
《四川冶金》-67-贵州高铝矾土熟料的煅烧及特性四】1l省宜宾地区耐戈材料厂圭互至T&7.71L【摘要】利用贵州特衄高铝矾土在回特窖内,经1620...
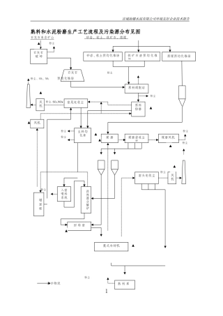
宣城海螺水泥有限公司环境友好企业技术报告熟料和水泥粉磨生产工艺流程及污染源分布见图石灰石来自矿山砂岩、粘土、铁矿石、燃煤粉尘石灰石...
日产5000吨熟料新型水泥生产的工艺流程说明1.1生产工艺流程1.1.1石灰石矿山石灰石破碎采用单段破碎,由皮带将石灰石倒入受料斗,经1台EBP22...
0前言水泥工作性能直接关系到水泥的销售和企业的经济效益,并影响水泥企业乃至整个水泥与混凝土行业的发展。水泥浆体的流变性是其工作性的...
2007.No.10引言流变性能是水泥的重要性能,对混凝土的施工具有重大意义。以往水泥企业对水泥的流变性能重视不够[1]。随着建筑施工技术的不断...
SchoolofHighway,Chang’anUniversity长安大学公路学院第四节水泥熟料组成及特性第四节水泥熟料组成及特性第一部分硅酸盐水泥矿物组成及...
上饶中材机械有限公司SCD630×127432MM槽式输送机说明书上饶中材机械有限公司二ΟΟ九年六月-1上饶中材机械有限公司目录1、技术参数………...
云南昆钢嘉华水泥建材有限公司YUNNANKUNGAGNG&K.WAHCEMENTCONSTRUCTIONMATIRIALCO.LTD1熟料分厂岗位职责厂长(副厂长)岗位职责1.在公司领...
高水化活性贝利特水泥熟料的合成——LarbiKacimia,⁎,AngéliqueSimon-Masseronb,SouriaSalemc,AbdelhamidGhomarid,ZoubirDerrichea摘要本...
熟料生产线热工基础知识新型干法水泥回转窑系统概述水泥是一种细磨材料,它加入适量水后,成为塑性浆体,这种浆体是既能在空气中硬化,又能...
((一一))化学成分化学成分四种主要氧化物四种主要氧化物:CaO,SiO:CaO,SiO22,Al,Al22OO33,Fe,Fe22OO33,,其总量其总量大于大于95%95%,一...
硅酸盐水泥熟料的组成§2-1熟料的组成§2-2熟料矿物特性§2-3熟料的率值§2-4熟料矿物组成的计算与换算【掌握内容】1、硅酸盐水泥熟料的化...
第三节硅酸盐水泥熟料的组成主讲:张欢※硅酸盐水泥熟料(clinker)由主要含CaO、SiO2、Al2O3、Fe2O3的原料,按适当比例配合磨成细粉(生料...

